Link bezpośredni
  • Conrad
  • Moje konto

    Zaloguj / Rejestracja

  • Koszyk

  • Wyprzedaż - sprawdź najlepsze okazje cenowe! Wyprzedaż - sprawdź najlepsze okazje cenowe!
  • Kategorie tematyczne
    Przemysł
    Infrastruktura
    Serwisy profesjonalne
  • Oferta
    Conrad - Your Sourcing Platform
    Promocje
    Wyprzedaż
    Nowości
    Bestsellery
    Strefa Porad
  • Serwisy
    E-Procurement
    Zapytanie ofertowe
    Produkty spoza katalogu
    Przedłużona gwarancja
    Serwis kalibracji
    Role Management System
  • Nasze produkty
  • Moje konto
  • Lista obserwowanych
  • Wyloguj
Conrad
Start
Narzędzia i warsztat Materiały montażowe i instalacyjne Kołki

Kotwa do pustaków ściennych SWG 906444515 100 szt.

EAN:
Numer producenta
Numer produktu
Metalowy kołek rozporowy w pozycji zamkniętej, do montażu ściennego, z końcówką hakowo-gwintowaną, odpowiedni do ciężkich obciążeń.
Metalowy kołek rozporowy w pozycji zamkniętej, do montażu ściennego, z końcówką hakowo-gwintowaną, odpowiedni do ciężkich obciążeń.
Czarny krzyż z czterema liniami diagonalnymi w kole na białym tle. Symbol pierwszej pomocy lub służb ratowniczych.
Wiertło przewierca ścianę od lewej do prawej, strzałka wskazuje kierunek wiercenia.
Ręka wciąga kołek rozporowy przez ścianę, aby go zamocować. Czerwona strzałka wskazuje kierunek ciągnięcia.
Ilustracja kołka mocowanego przez ścianę, ze strzałką pokazującą ruch obrotowy.
Ilustracja mocowania: Wkręt jest przykręcany przez ścianę i zabezpieczany kotwą metalową, aby zapewnić stabilność.
Prezentacja kołka rozporowego mocowanego za pomocą metalowej płytki w ścianie, zapewniającego stabilne zamocowanie.
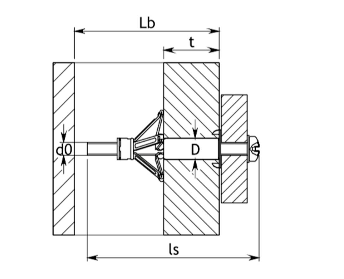
Rysunek techniczny części mechanicznej z wymiarami. Obszary są oznaczone jako 'Lb', 't', 'd0', 'D' i 'ls'.
1/8
Zdjęcie poglądowe
SWG
Karta katalogowa (PDF)
Deutsch (Deutschland)
Dostawaw wt. 14.04

29 Sztuki
Pokaż produkty alternatywne

Liczba (Rozmiar opakowania 100 Sztuki)

Suma
169,92 zł
Cena netto 
209,00 zł
z VAT (klient indywidualny)
Zgłoś wątpliwości prawne
  • Ponad 1 250 000 produktów

  • Konto handlowe

  • Wyceny RFQ i BOM

  • Wsparcie techniczne

  • Zlecenia terminowe

  • Centrum pomocy

  • Zamówienia

  • Dostawa

  • Zwrot  

  • Faktury

  • Gwarancja i reklamacje

  • Dyrektywa Omnibus w Conrad

  • O firmie

  • Conrad Sourcing Platform

  • Pracuj w Conrad

  • Aktualne promocje

  • Marki własne

  • Strefa porad

  • Certyfikaty

  • Informacje o dostępności cyfrowej

  • Usługi dla firm

  • e-Procurement

  • Zapytanie ofertowe

  • Zlecenia terminowe

  • Produkty spoza katalogu

  • Vulnerability Disclosure Program

  • Serwisy

  • Serwis kalibracji

  • Kategorie produktowe A-Z

  • Nasze marki A-Z

  • Centrum dokumentacji

  • Usługa cięcia kabli na metry

  • Katalogi

  • System zarządzania rolami zakupowymi

Newsletter

Proszę podać prawidłowy adres e-mail!

Metody płatności
  • PayU
  • PayPal
  • Blik
Media społecznościowe

Kontakt
12 622 98 00
Pon-Pt godz. 8:00-17:00
bok@conrad.pl
 

Wszystkie ceny bez podatku VAT i kosztów dostawy. Przekreślona cena to zawsze najniższa cena oferty z 30 dni przed obniżką.

Wszystkie ceny zawierają podatek VAT, nie obejmują kosztów dostawy. Przekreślona cena to zawsze najniższa cena oferty z 30 dni przed obniżką.

Rabat dotyczy wyłącznie produktów biurowych dostępnych od ręki (w magazynie) i obowiązuje do dnia 05.04.2026 r. na stronie conrad.pl Nie można ich łączyć z innymi kodami rabatowymi. 1x na klienta biznesowego/osobę prywatną. W indywidualnych przypadkach może zostać wprowadzone ograniczenie ilościowe.

Technika Pomiarowa
Rabat obowiązuje wyłącznie na wybrane i dostępne od ręki produkty (z zapasów magazynowych) z kategorii Technika Pomiarowa na stronie conrad.pl. Nie łączy się z innymi kodami rabatowymi. Oferta ważna jeden raz na klienta biznesowego lub osobę prywatną. W indywidualnych przypadkach może obowiązywać limit ilościowy zakupu. Oferta ważna do wyczerpania zapasów.

 

  • Regulamin

  • Informacje dla konsumentów

  • Polityka prywatności

  • Polityka plików cookies

Porównanie produktów
Lista obserwowanych