Link bezpośredni
  • Conrad
  • Moje konto

    Zaloguj / Rejestracja

  • Koszyk

  • Wyprzedaż - sprawdź najlepsze okazje cenowe! Wyprzedaż - sprawdź najlepsze okazje cenowe!
  • Kategorie tematyczne
    Przemysł
    Infrastruktura
    Serwisy profesjonalne
  • Oferta
    Conrad - Your Sourcing Platform
    Promocje
    Wyprzedaż
    Nowości
    Bestsellery
    Strefa Porad
  • Serwisy
    E-Procurement
    Zapytanie ofertowe
    Produkty spoza katalogu
    Przedłużona gwarancja
    Serwis kalibracji
    Role Management System
  • Nasze produkty
  • Moje konto
  • Lista obserwowanych
  • Wyloguj
Conrad
Start
Złącza i Kable Złącza Złącza do PCB Listwy kołkowe - systemy

Phoenix Contact 1843392 Obudowa złącza pin męskiego na kabel MCV 1,5/19-GF-3,5, piny: 19, 8 A, 1 szt.

EAN:
Numer producenta
Numer produktu
Zielony, prostokątny elektryczny złącze z wieloma pinami wystającymi od dołu, odpowiedni do stosowania w obwodach elektronicznych.
Zielony, prostokątny elektryczny złącze z wieloma pinami wystającymi od dołu, odpowiedni do stosowania w obwodach elektronicznych.
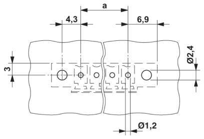
Rysunek techniczny obiektu z wymiarami. Zawiera szczegóły dotyczące rozmiarów i odległości otworów, np. 'Ø2,4', 'Ø1,2', '4,3', '6,9'.
Diagram przedstawia obciążalność prądową w amperach w odniesieniu do temperatury otoczenia w °C dla połączeń 2-, 5-, 12- i 20-biegunowych.
Rysunek techniczny elementu elektronicznego z wymiarami. Po lewej: wysokość 18,7 mm, szerokość 11,1 mm. Po prawej: szerokość 'a+13,8' mm.
Diagram przedstawia natężenie prądu [A] w zależności od temperatury otoczenia [°C] z czterema krzywymi: pozycje 2, 5, 12, 20. Wzrost temperatury powoduje spadek natężenia prądu.
1/5
Zdjęcie poglądowe
Rodzaj produktu
Obudowa złącza pin męskiego na kabel
Rodzaj złącza
złącze męskie
Ilość rzędów
1
Wymiary siatki
3.5 mm
Ilość pinów
19
Karta katalogowa (PDF)
European union
Phoenix Contact
 

Ilość (sztuka)
Oszczędzasz
Cena opakowania (Cena netto)
1
-
26,98 zł zł
5
6% = 1,64 zł
25,34 zł zł
10
7% = 2,02 zł
24,96 zł zł
25
9% = 2,46 zł
24,52 zł zł
50
11% = 2,96 zł
24,02 zł zł
100
14% = 3,77 zł
23,21 zł zł
Rabaty ilościowe różnią się w zależności od sprzedawcy
Oszczędzasz 0,00 zł

Liczba

Suma (26,98 zł / Sztuka)
zł
33,19 zł
z VAT (klient indywidualny)
Zgłoś wątpliwości prawne
  • Ponad 1 250 000 produktów

  • Konto handlowe

  • Wyceny RFQ i BOM

  • Wsparcie techniczne

  • Zlecenia terminowe

  • Centrum pomocy

  • Zamówienia

  • Dostawa

  • Zwrot  

  • Faktury

  • Gwarancja i reklamacje

  • Dyrektywa Omnibus w Conrad

  • O firmie

  • Conrad Sourcing Platform

  • Pracuj w Conrad

  • Aktualne promocje

  • Marki własne

  • Strefa porad

  • Certyfikaty

  • Informacje o dostępności cyfrowej

  • Usługi dla firm

  • e-Procurement

  • Zapytanie ofertowe

  • Zlecenia terminowe

  • Produkty spoza katalogu

  • Vulnerability Disclosure Program

  • Serwisy

  • Serwis kalibracji

  • Kategorie produktowe A-Z

  • Nasze marki A-Z

  • Centrum dokumentacji

  • Usługa cięcia kabli na metry

  • Katalogi

  • System zarządzania rolami zakupowymi

Newsletter

Proszę podać prawidłowy adres e-mail!

Metody płatności
  • PayU
  • PayPal
  • Blik
Media społecznościowe

Kontakt
12 622 98 00
Pon-Pt godz. 8:00-17:00
bok@conrad.pl
 

Wszystkie ceny bez podatku VAT i kosztów dostawy. Przekreślona cena to zawsze najniższa cena oferty z 30 dni przed obniżką.

Wszystkie ceny zawierają podatek VAT, nie obejmują kosztów dostawy. Przekreślona cena to zawsze najniższa cena oferty z 30 dni przed obniżką.

Rabaty obowiązują wyłącznie na produkty dostępne od ręki (status dostawy zielony): 15% zniżki na wybrane produkty marki Reolink, 15% zniżki na wybrane produkty marki Sygonix oraz 10% zniżki na produkty marki Abus. Oferta ważna do 26.04.2026 r. na stronie conrad.pl Nie można łączyć z innymi kodami rabatowymi. 1x na klienta biznesowego/osobę prywatną. W indywidualnych przypadkach może zostać nałożone ograniczenie ilościowe.

  • Regulamin

  • Informacje dla konsumentów

  • Polityka prywatności

  • Polityka plików cookies

Porównanie produktów
Lista obserwowanych