Link bezpośredni
  • Conrad
  • Moje konto

    Zaloguj / Rejestracja

  • Koszyk

  • Wyprzedaż - sprawdź najlepsze okazje cenowe! Wyprzedaż - sprawdź najlepsze okazje cenowe!
  • Kategorie tematyczne
    Przemysł
    Infrastruktura
    Serwisy profesjonalne
  • Oferta
    Conrad - Your Sourcing Platform
    Promocje
    Wyprzedaż
    Nowości
    Bestsellery
    Strefa Porad
  • Serwisy
    E-Procurement
    Zapytanie ofertowe
    Produkty spoza katalogu
    Przedłużona gwarancja
    Serwis kalibracji
    Role Management System
  • Nasze produkty
  • Moje konto
  • Lista obserwowanych
  • Wyloguj
Conrad
Start
Elektromechanika Przełączniki i przyciski Wyłączniki mocy Przełącznik bezpieczeństwa

Phoenix Contact 2800906 CB E1 24DC/8A NO P Wyłącznik automatyczny 1 szt.

EAN:
Numer producenta
Numer produktu
Element elektroniczny z napisem 'PHOENIX CONTACT', zawierający specyfikacje techniczne i styki przyłączeniowe u dołu.
Element elektroniczny z napisem 'PHOENIX CONTACT', zawierający specyfikacje techniczne i styki przyłączeniowe u dołu.
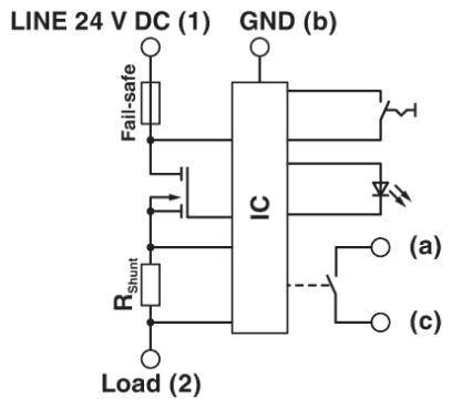
'Schemat elektryczny dla linii prądu stałego 24V z IC, GND, R_Shunt, bezpiecznikiem, połączeniami LED i oznaczeniami Linia (1), Obciążenie (2), GND (b), Awaryjne.'
'Schemat elektrycznego systemu z rozdzielaczem, pięcioma bezpiecznikami, dwoma sterownikami PLC oraz trzema przełącznikami i silnikiem.'
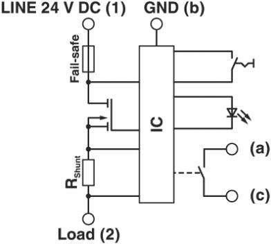
'Schemat bloku IC: Wejścia LINE 24 V DC (1) i GND (b); Wyjścia Load (2), Fall-safe, R_Shunt; Przyłącza (a), (c).'
Diagram zależności czasu zadziałania od wartości prądu: Na osi y naniesiono czas zadziałania w sekundach, na osi x – wielokrotności prądu znamionowego IN. Linia główna przy 1 IN.
Rysunek techniczny urządzenia z wymiarami: szerokość 90 mm, wysokość 77,3 mm, głębokość 12,3 mm. Przedstawia widok z przodu i z boku.
Szary wyłącznik ochronny Phoenix Contact CB E1 z pomarańczowymi zaciskami do montażu na szynie DIN. Model: 24V DC/1A NO P.
1/7
Zdjęcie poglądowe
Rodzaj produktu
Wyłącznik automatyczny
Specyfikacja
Elektroniczny wyłącznik bezpieczeństwa
Połączenie komponentów
złącze wtykowe
Kolor
szary
Minimalna temperatura
+50 °C
Karta katalogowa (PDF)
European union
Phoenix Contact
 


Suma
zł
299,00 zł
z VAT (klient indywidualny)
Zgłoś wątpliwości prawne
  • Ponad 1 250 000 produktów

  • Konto handlowe

  • Wyceny RFQ i BOM

  • Wsparcie techniczne

  • Zlecenia terminowe

  • Centrum pomocy

  • Zamówienia

  • Dostawa

  • Zwrot  

  • Faktury

  • Gwarancja i reklamacje

  • Dyrektywa Omnibus w Conrad

  • O firmie

  • Conrad Sourcing Platform

  • Pracuj w Conrad

  • Aktualne promocje

  • Marki własne

  • Strefa porad

  • Certyfikaty

  • Informacje o dostępności cyfrowej

  • Usługi dla firm

  • e-Procurement

  • Zapytanie ofertowe

  • Zlecenia terminowe

  • Produkty spoza katalogu

  • Vulnerability Disclosure Program

  • Serwisy

  • Serwis kalibracji

  • Kategorie produktowe A-Z

  • Nasze marki A-Z

  • Centrum dokumentacji

  • Usługa cięcia kabli na metry

  • Katalogi

  • System zarządzania rolami zakupowymi

Newsletter

Proszę podać prawidłowy adres e-mail!

Metody płatności
  • PayU
  • PayPal
  • Blik
Media społecznościowe

Kontakt
12 622 98 00
Pon-Pt godz. 8:00-17:00
bok@conrad.pl
 

Wszystkie ceny bez podatku VAT i kosztów dostawy. Przekreślona cena to zawsze najniższa cena oferty z 30 dni przed obniżką.

Wszystkie ceny zawierają podatek VAT, nie obejmują kosztów dostawy. Przekreślona cena to zawsze najniższa cena oferty z 30 dni przed obniżką.

Rabaty obowiązują wyłącznie na produkty dostępne od ręki (status dostawy zielony): 15% zniżki na wybrane produkty marki Reolink, 15% zniżki na wybrane produkty marki Sygonix oraz 10% zniżki na produkty marki Abus. Oferta ważna do 26.04.2026 r. na stronie conrad.pl Nie można łączyć z innymi kodami rabatowymi. 1x na klienta biznesowego/osobę prywatną. W indywidualnych przypadkach może zostać nałożone ograniczenie ilościowe.

  • Regulamin

  • Informacje dla konsumentów

  • Polityka prywatności

  • Polityka plików cookies

Porównanie produktów
Lista obserwowanych