Link bezpośredni
  • Conrad
  • Moje konto

    Zaloguj / Rejestracja

  • Koszyk

  • Wyprzedaż - sprawdź najlepsze okazje cenowe! Wyprzedaż - sprawdź najlepsze okazje cenowe!
  • Kategorie tematyczne
    Przemysł
    Infrastruktura
    Serwisy profesjonalne
  • Oferta
    Conrad - Your Sourcing Platform
    Promocje
    Wyprzedaż
    Nowości
    Bestsellery
    Strefa Porad
  • Serwisy
    E-Procurement
    Zapytanie ofertowe
    Produkty spoza katalogu
    Przedłużona gwarancja
    Serwis kalibracji
    Role Management System
  • Nasze produkty
  • Moje konto
  • Lista obserwowanych
  • Wyloguj
Conrad
Start
Elektromechanika Przekaźniki Przekaźniki SMT i THT

Phoenix Contact 2903660 Przekaźnik REL-IR2/LDP- 24DC/2X21, 250 V DC/AC, 12 A, 10 szt.

EAN:
Numer producenta
Numer produktu
Prostokątna, przezroczysta obudowa przekaźnika z technicznymi symbolami i oznaczeniami przedstawia elektroniczne styki i połączenia.
Prostokątna, przezroczysta obudowa przekaźnika z technicznymi symbolami i oznaczeniami przedstawia elektroniczne styki i połączenia.
Diagram przedstawia krzywą, która ilustruje współczynnik redukcji w zależności od COS φ, z malejącym trendem od 1 przy COS φ 0,9 do 0,3 przy COS φ 0,2.
Diagram przedstawia prąd łączeniowy [A] w odniesieniu do napięcia łączeniowego [V] dla 'AC, obciążenie ohmiczne' (1) oraz 'DC, obciążenie ohmiczne' (2). Trend: malejący prąd.
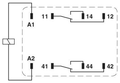
Schemat elektryczny przekaźnika: A1 i A2 to zaciski cewki; 11-14, 12 oraz 41-44, 42 to styki przełączające; pokazuje połączenia przełączające.
Phoenix Contact 2903660 Przekaźnik REL-IR2/LDP- 24DC/2X21, 250 V DC/AC, 12 A, 10 szt.-4
Diagram przedstawia zależność między liczbą cykli przełączeniowych a zdolnością łączeniową przy 250 V AC, obciążenie ohmiczne. Liczba cykli przełączeniowych maleje przy wyższej zdolności łączeniowej.
1/6
Zdjęcie poglądowe
Rodzaj produktu
Przekaźnik
Napięcie znamionowe cewki
24 V/DC
Rodzaj styku
2 zestyki przełączne
Maksymalne napięcie przełączania
250 V DC/AC
Maksymalne natężenie przełączania
12 A
Karta katalogowa (PDF)
European union
Phoenix Contact
 

336 Sztuki

Ilość (zestaw/y)
Oszczędzasz
Cena opakowania (Cena netto)
1
-
324,39 zł zł
3
3% = 8,98 zł
315,41 zł zł
5
4% = 12,59 zł
311,80 zł zł
10
5% = 14,98 zł
309,41 zł zł
25
5% = 17,68 zł
306,71 zł zł
Rabaty ilościowe różnią się w zależności od sprzedawcy
Oszczędzasz 0,00 zł

Liczba (Rozmiar opakowania 10 Sztuki)

Suma (324,39 zł / Sztuka)
zł
399,00 zł
z VAT (klient indywidualny)
Zgłoś wątpliwości prawne
  • Ponad 1 250 000 produktów

  • Konto handlowe

  • Wyceny RFQ i BOM

  • Wsparcie techniczne

  • Zlecenia terminowe

  • Centrum pomocy

  • Zamówienia

  • Dostawa

  • Zwrot  

  • Faktury

  • Gwarancja i reklamacje

  • Dyrektywa Omnibus w Conrad

  • O firmie

  • Conrad Sourcing Platform

  • Pracuj w Conrad

  • Aktualne promocje

  • Marki własne

  • Strefa porad

  • Certyfikaty

  • Informacje o dostępności cyfrowej

  • Usługi dla firm

  • e-Procurement

  • Zapytanie ofertowe

  • Zlecenia terminowe

  • Produkty spoza katalogu

  • Vulnerability Disclosure Program

  • Serwisy

  • Serwis kalibracji

  • Kategorie produktowe A-Z

  • Nasze marki A-Z

  • Centrum dokumentacji

  • Usługa cięcia kabli na metry

  • Katalogi

  • System zarządzania rolami zakupowymi

Newsletter

Proszę podać prawidłowy adres e-mail!

Metody płatności
  • PayU
  • PayPal
  • Blik
Media społecznościowe

Kontakt
12 622 98 00
Pon-Pt godz. 8:00-17:00
bok@conrad.pl
 

Wszystkie ceny bez podatku VAT i kosztów dostawy. Przekreślona cena to zawsze najniższa cena oferty z 30 dni przed obniżką.

Wszystkie ceny zawierają podatek VAT, nie obejmują kosztów dostawy. Przekreślona cena to zawsze najniższa cena oferty z 30 dni przed obniżką.

Rabaty obowiązują wyłącznie na produkty dostępne od ręki (status dostawy zielony): 15% zniżki na wybrane produkty marki Reolink, 15% zniżki na wybrane produkty marki Sygonix oraz 10% zniżki na produkty marki Abus. Oferta ważna do 26.04.2026 r. na stronie conrad.pl Nie można łączyć z innymi kodami rabatowymi. 1x na klienta biznesowego/osobę prywatną. W indywidualnych przypadkach może zostać nałożone ograniczenie ilościowe.

  • Regulamin

  • Informacje dla konsumentów

  • Polityka prywatności

  • Polityka plików cookies

Porównanie produktów
Lista obserwowanych