Link bezpośredni
  • Conrad
  • Moje konto

    Zaloguj / Rejestracja

  • Koszyk

  • Wyprzedaż - sprawdź najlepsze okazje cenowe! Wyprzedaż - sprawdź najlepsze okazje cenowe!
  • Kategorie tematyczne
    Przemysł
    Infrastruktura
    Serwisy profesjonalne
  • Oferta
    Conrad - Your Sourcing Platform
    Promocje
    Wyprzedaż
    Nowości
    Bestsellery
    Strefa Porad
  • Serwisy
    E-Procurement
    Zapytanie ofertowe
    Produkty spoza katalogu
    Przedłużona gwarancja
    Serwis kalibracji
    Role Management System
  • Nasze produkty
  • Moje konto
  • Lista obserwowanych
  • Wyloguj
Conrad
Start
Elektromechanika Przekaźniki Przekaźniki SMT i THT

Phoenix Contact REL-IR2/24DC/2X21 Przekaźnik 24 V/DC 12 A 2 zestyki przełączne 1 szt.

EAN:
Numer producenta
Numer produktu
Przezroczysty przekaźnik z tworzywa sztucznego z metalowymi pinami, z nadrukami zawierającymi specyfikacje techniczne.
Przezroczysty przekaźnik z tworzywa sztucznego z metalowymi pinami, z nadrukami zawierającymi specyfikacje techniczne.
Diagram przedstawia zależność między współczynnikiem redukcji na osi y a wartością COS φ na osi x. Krzywa opada.
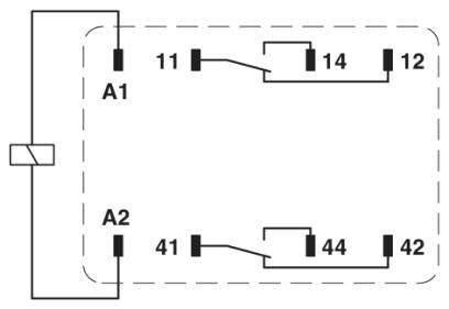
Schemat elektryczny przedstawia przekaźnik z zaciskami A1, A2, 11, 12, 14, 41, 42 i 44. Obwody elektryczne i pozycje przełączników są zobrazowane.
Diagram przedstawia napięcie cewki (U/Uᵣ) względem temperatury otoczenia (°C). Dwie krzywe: '1 Cewki prądu stałego' i '2 Cewki prądu przemiennego'.
Diagram przedstawia zależność między prądem przełączania [A] a napięciem przełączania [V] dla prądu przemiennego (1) i stałego (2), z malejącymi krzywymi.
Diagram przedstawia wykres liczby przełączeń przy 250 V AC i obciążeniu rezystancyjnym w zależności od zdolności łączeniowej w kVA.
1/6
Zdjęcie poglądowe
Rodzaj produktu
Przekaźnik
Napięcie znamionowe cewki
24 V/DC
Rodzaj styku
2 zestyki przełączne
Maksymalne napięcie przełączania
250 V DC/AC
Maksymalne natężenie przełączania
12 A
Karta katalogowa (PDF)
European union
Phoenix Contact
 


Ilość (sztuka)
Oszczędzasz
Cena opakowania (Cena netto)
1
-
28,93 zł zł
5
6% = 1,75 zł
27,18 zł zł
10
8% = 2,17 zł
26,76 zł zł
25
9% = 2,64 zł
26,29 zł zł
50
11% = 3,17 zł
25,76 zł zł
100
14% = 4,04 zł
24,89 zł zł
Rabaty ilościowe różnią się w zależności od sprzedawcy
Oszczędzasz 0,00 zł

Suma (28,93 zł / Sztuka)
32,76 zł
-12 %
zł
35,58 zł
z VAT (klient indywidualny)
Zgłoś wątpliwości prawne
  • Ponad 1 250 000 produktów

  • Konto handlowe

  • Wyceny RFQ i BOM

  • Wsparcie techniczne

  • Zlecenia terminowe

  • Centrum pomocy

  • Zamówienia

  • Dostawa

  • Zwrot  

  • Faktury

  • Gwarancja i reklamacje

  • Dyrektywa Omnibus w Conrad

  • O firmie

  • Conrad Sourcing Platform

  • Pracuj w Conrad

  • Aktualne promocje

  • Marki własne

  • Strefa porad

  • Certyfikaty

  • Informacje o dostępności cyfrowej

  • Usługi dla firm

  • e-Procurement

  • Zapytanie ofertowe

  • Zlecenia terminowe

  • Produkty spoza katalogu

  • Vulnerability Disclosure Program

  • Serwisy

  • Serwis kalibracji

  • Kategorie produktowe A-Z

  • Nasze marki A-Z

  • Centrum dokumentacji

  • Usługa cięcia kabli na metry

  • Katalogi

  • System zarządzania rolami zakupowymi

Newsletter

Proszę podać prawidłowy adres e-mail!

Metody płatności
  • PayU
  • PayPal
  • Blik
Media społecznościowe

Kontakt
12 622 98 00
Pon-Pt godz. 8:00-17:00
bok@conrad.pl
 

Wszystkie ceny bez podatku VAT i kosztów dostawy. Przekreślona cena to zawsze najniższa cena oferty z 30 dni przed obniżką.

Wszystkie ceny zawierają podatek VAT, nie obejmują kosztów dostawy. Przekreślona cena to zawsze najniższa cena oferty z 30 dni przed obniżką.

Rabaty obowiązują wyłącznie na produkty dostępne od ręki (status dostawy zielony): 15% zniżki na wybrane produkty marki Reolink, 15% zniżki na wybrane produkty marki Sygonix oraz 10% zniżki na produkty marki Abus. Oferta ważna do 26.04.2026 r. na stronie conrad.pl Nie można łączyć z innymi kodami rabatowymi. 1x na klienta biznesowego/osobę prywatną. W indywidualnych przypadkach może zostać nałożone ograniczenie ilościowe.

  • Regulamin

  • Informacje dla konsumentów

  • Polityka prywatności

  • Polityka plików cookies

Porównanie produktów
Lista obserwowanych