Link bezpośredni
  • Conrad
  • Moje konto

    Zaloguj / Rejestracja

  • Koszyk

  • Wyprzedaż - sprawdź najlepsze okazje cenowe! Wyprzedaż - sprawdź najlepsze okazje cenowe!
  • Kategorie tematyczne
    Przemysł
    Infrastruktura
    Serwisy profesjonalne
  • Oferta
    Conrad - Your Sourcing Platform
    Promocje
    Wyprzedaż
    Nowości
    Bestsellery
    Strefa Porad
  • Serwisy
    E-Procurement
    Zapytanie ofertowe
    Produkty spoza katalogu
    Przedłużona gwarancja
    Serwis kalibracji
    Role Management System
  • Nasze produkty
  • Moje konto
  • Lista obserwowanych
  • Wyloguj
Conrad
Start
Elektromechanika Przekaźniki Przekaźniki SMT i THT

Phoenix Contact 2903688 Przekaźnik REL-IR4/L-230AC/4X21, 250 V DC/AC, 6 A, 10 szt.

EAN:
Numer producenta
Numer produktu
Przezroczysty przekaźnik z wieloma stykami elektrycznymi od spodu, na którego powierzchni widoczne są symbole i informacje techniczne.
Przezroczysty przekaźnik z wieloma stykami elektrycznymi od spodu, na którego powierzchni widoczne są symbole i informacje techniczne.
Diagram przedstawia współczynnik redukcji w odniesieniu do COS φ. Krzywa opada od 1 przy COS φ = 0 do około 0,3 przy COS φ = 0,2, obrazując malejący trend.
Diagram przedstawia zależność między prądem przełączania [A] a napięciem przełączania [V] dla obciążenia omowego prądem zmiennym (AC) i stałym (DC). Osie oznaczają prąd i napięcie.
Diagram przedstawia maksymalną liczbę przełączeń w zależności od zdolności łączeniowej (kVA) dla obciążenia rezystancyjnego 250 V AC.
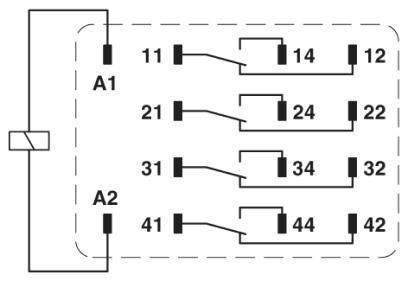
Schemat elektryczny z różnymi połączeniami i zaciskami, ponumerowanymi od 11 do 44, od A1 do A2.
Diagram przedstawia napięcie uzwojenia (U/Un) w zależności od temperatury otoczenia (°C). Dwie krzywe: '1' dla cewek prądu stałego, '2' dla cewek prądu zmiennego.
1/6
Zdjęcie poglądowe
Rodzaj produktu
Przekaźnik
Napięcie znamionowe cewki
230 V/AC
Rodzaj styku
4 zestyki przełączne
Maksymalne napięcie przełączania
250 V DC/AC
Maksymalne natężenie przełączania
6 A
Karta katalogowa (PDF)
European union
Phoenix Contact
 

Pokaż produkty alternatywne

Ilość (zestaw/y)
Oszczędzasz
Cena opakowania (Cena netto)
1
-
316,26 zł zł
3
3% = 8,76 zł
307,50 zł zł
5
4% = 12,27 zł
303,99 zł zł
10
5% = 14,61 zł
301,65 zł zł
25
5% = 17,24 zł
299,02 zł zł
Rabaty ilościowe różnią się w zależności od sprzedawcy
Oszczędzasz 0,00 zł

Suma (316,26 zł / Sztuka)
zł
389,00 zł
z VAT (klient indywidualny)
Zgłoś wątpliwości prawne
  • Ponad 1 250 000 produktów

  • Konto handlowe

  • Wyceny RFQ i BOM

  • Wsparcie techniczne

  • Zlecenia terminowe

  • Centrum pomocy

  • Zamówienia

  • Dostawa

  • Zwrot  

  • Faktury

  • Gwarancja i reklamacje

  • Dyrektywa Omnibus w Conrad

  • O firmie

  • Conrad Sourcing Platform

  • Pracuj w Conrad

  • Aktualne promocje

  • Marki własne

  • Strefa porad

  • Certyfikaty

  • Informacje o dostępności cyfrowej

  • Usługi dla firm

  • e-Procurement

  • Zapytanie ofertowe

  • Zlecenia terminowe

  • Produkty spoza katalogu

  • Vulnerability Disclosure Program

  • Serwisy

  • Serwis kalibracji

  • Kategorie produktowe A-Z

  • Nasze marki A-Z

  • Centrum dokumentacji

  • Usługa cięcia kabli na metry

  • Katalogi

  • System zarządzania rolami zakupowymi

Newsletter

Proszę podać prawidłowy adres e-mail!

Metody płatności
  • PayU
  • PayPal
  • Blik
Media społecznościowe

Kontakt
12 622 98 00
Pon-Pt godz. 8:00-17:00
bok@conrad.pl
 

Wszystkie ceny bez podatku VAT i kosztów dostawy. Przekreślona cena to zawsze najniższa cena oferty z 30 dni przed obniżką.

Wszystkie ceny zawierają podatek VAT, nie obejmują kosztów dostawy. Przekreślona cena to zawsze najniższa cena oferty z 30 dni przed obniżką.

Rabaty obowiązują wyłącznie na produkty dostępne od ręki (status dostawy zielony): 15% zniżki na wybrane produkty marki Reolink, 15% zniżki na wybrane produkty marki Sygonix oraz 10% zniżki na produkty marki Abus. Oferta ważna do 26.04.2026 r. na stronie conrad.pl Nie można łączyć z innymi kodami rabatowymi. 1x na klienta biznesowego/osobę prywatną. W indywidualnych przypadkach może zostać nałożone ograniczenie ilościowe.

  • Regulamin

  • Informacje dla konsumentów

  • Polityka prywatności

  • Polityka plików cookies

Porównanie produktów
Lista obserwowanych