Link bezpośredni
  • Conrad
  • Moje konto

    Zaloguj / Rejestracja

  • Koszyk

  • Wyprzedaż - sprawdź najlepsze okazje cenowe! Wyprzedaż - sprawdź najlepsze okazje cenowe!
  • Kategorie tematyczne
    Przemysł
    Infrastruktura
    Serwisy profesjonalne
  • Oferta
    Conrad - Your Sourcing Platform
    Promocje
    Wyprzedaż
    Nowości
    Bestsellery
    Strefa Porad
  • Serwisy
    E-Procurement
    Zapytanie ofertowe
    Produkty spoza katalogu
    Przedłużona gwarancja
    Serwis kalibracji
    Role Management System
  • Nasze produkty
  • Moje konto
  • Lista obserwowanych
  • Wyloguj
Conrad
Start
Technika domowa & Smart Living Energia słoneczna i wiatrowa Akcesoria do techniki solarnej Akcesoria instalacyjne do systemów solarnych

Phoenix Contact 2403335 SOL-SC-4ST-0-DC-1MPPT-1011 Skrzynka przyłączeniowa generatora

EAN:
Numer producenta
Numer produktu
Elektryczna skrzynka rozdzielcza z wieloma przełącznikami i połączeniami kablowymi. Etykieta z parametrami technicznymi jest widoczna.
Elektryczna skrzynka rozdzielcza z wieloma przełącznikami i połączeniami kablowymi. Etykieta z parametrami technicznymi jest widoczna.
Elektryczny rozdzielacz z wieloma przyłączami i bezpiecznikami, opisany jako 'MPPT1'.
Ilustracja systemu zabezpieczeń przeciwprzepięciowych marki 'Phoenix Contact' o nazwie 'VALVETRAB', przeznaczonego do ochrony instalacji fotowoltaicznych.
'IN+' i 'IN-': Rysunek techniczny dwóch zaworów z oznaczeniami wlotu i wylotu w systemach fluidycznych.
Schemat elektryczny przekaźnika z trzema cewkami wraz z odpowiednimi symbolami przyłączeniowymi. Punkty 12, 14, 11 oznaczają rozmieszczenie styków i FM.
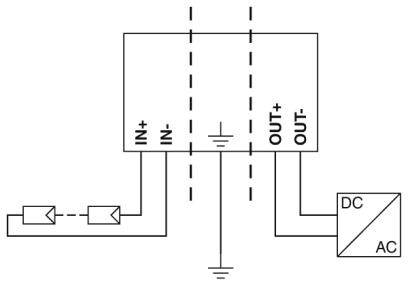
Schemat pokazuje prostownik z wejściami 'IN+' i 'IN-', wyjściami 'OUT+' i 'OUT-', transformatorem oraz stykiem uziemienia.
Rysunek techniczny prostokątnego urządzenia o wymiarach: szerokość 254 mm, głębokość 110,7 mm, wysokość 180 mm.
Dwie techniczne rysunki zaworów. Po lewej stronie zawór z gwintem zewnętrznym oznaczony jako 'OUT+', po prawej stronie zawór z gwintem wewnętrznym oznaczony jako 'OUT-'.
1/8
Zdjęcie poglądowe
Phoenix Contact
Karta katalogowa (PDF)
European union
 

Liczba

Suma
zł
1679,00 zł
z VAT (klient indywidualny)
Zgłoś wątpliwości prawne
  • Ponad 1 250 000 produktów

  • Konto handlowe

  • Wyceny RFQ i BOM

  • Wsparcie techniczne

  • Zlecenia terminowe

  • Centrum pomocy

  • Zamówienia

  • Dostawa

  • Zwrot  

  • Faktury

  • Gwarancja i reklamacje

  • Dyrektywa Omnibus w Conrad

  • O firmie

  • Conrad Sourcing Platform

  • Pracuj w Conrad

  • Aktualne promocje

  • Marki własne

  • Strefa porad

  • Certyfikaty

  • Informacje o dostępności cyfrowej

  • Usługi dla firm

  • e-Procurement

  • Zapytanie ofertowe

  • Zlecenia terminowe

  • Produkty spoza katalogu

  • Vulnerability Disclosure Program

  • Serwisy

  • Serwis kalibracji

  • Kategorie produktowe A-Z

  • Nasze marki A-Z

  • Centrum dokumentacji

  • Usługa cięcia kabli na metry

  • Katalogi

  • System zarządzania rolami zakupowymi

Newsletter

Proszę podać prawidłowy adres e-mail!

Metody płatności
  • PayU
  • PayPal
  • Blik
Media społecznościowe

Kontakt
12 622 98 00
Pon-Pt godz. 8:00-17:00
bok@conrad.pl
 

Wszystkie ceny bez podatku VAT i kosztów dostawy. Przekreślona cena to zawsze najniższa cena oferty z 30 dni przed obniżką.

Wszystkie ceny zawierają podatek VAT, nie obejmują kosztów dostawy. Przekreślona cena to zawsze najniższa cena oferty z 30 dni przed obniżką.

Rabaty obowiązują wyłącznie na produkty dostępne od ręki (status dostawy zielony): 15% zniżki na wybrane produkty marki Reolink, 15% zniżki na wybrane produkty marki Sygonix oraz 10% zniżki na produkty marki Abus. Oferta ważna do 26.04.2026 r. na stronie conrad.pl Nie można łączyć z innymi kodami rabatowymi. 1x na klienta biznesowego/osobę prywatną. W indywidualnych przypadkach może zostać nałożone ograniczenie ilościowe.

  • Regulamin

  • Informacje dla konsumentów

  • Polityka prywatności

  • Polityka plików cookies

Porównanie produktów
Lista obserwowanych