Link bezpośredni
  • Conrad
  • Moje konto

    Zaloguj / Rejestracja

  • Koszyk

  • Wyprzedaż - sprawdź najlepsze okazje cenowe! Wyprzedaż - sprawdź najlepsze okazje cenowe!
  • Kategorie tematyczne
    Przemysł
    Infrastruktura
    Serwisy profesjonalne
  • Oferta
    Conrad - Your Sourcing Platform
    Promocje
    Wyprzedaż
    Nowości
    Bestsellery
    Strefa Porad
  • Serwisy
    E-Procurement
    Zapytanie ofertowe
    Produkty spoza katalogu
    Przedłużona gwarancja
    Serwis kalibracji
    Role Management System
  • Nasze produkty
  • Moje konto
  • Lista obserwowanych
  • Wyloguj
Conrad
Start
Automatyka i pneumatyka Automatyka Technika napędowa Urządzenia Softstart, softstop

Siemens 3RA2130-4KA38-0AP0 3RA21304KA380AP0 Podajnik obciążenia Moc silnika przy 400 V 37 kW 690 V Natężenie znamionowe

EAN:
Numer producenta
Numer produktu
Elektryczny przełącznik z prostokątną, szarą obudową, kilkoma złączami śrubowymi oraz przełącznikiem kołyskowym. Jest zamontowany w pozycji pionowej.
Elektryczny przełącznik z prostokątną, szarą obudową, kilkoma złączami śrubowymi oraz przełącznikiem kołyskowym. Jest zamontowany w pozycji pionowej.
Widok wnętrza szafy elektrycznej z różnymi przewodami i komponentami. Na zewnątrz pada intensywny deszcz, a krople spływają po szybie.
Wyłącznik z osprzętem: 1) Wyłącznik, rozmiar S2. 2) Adapter szyny DIN, opcja 3RA2932-1AA00. 3) Moduł przyłączeniowy 3RA2931-1AA00. 4) Stycznik, rozmiar S2.
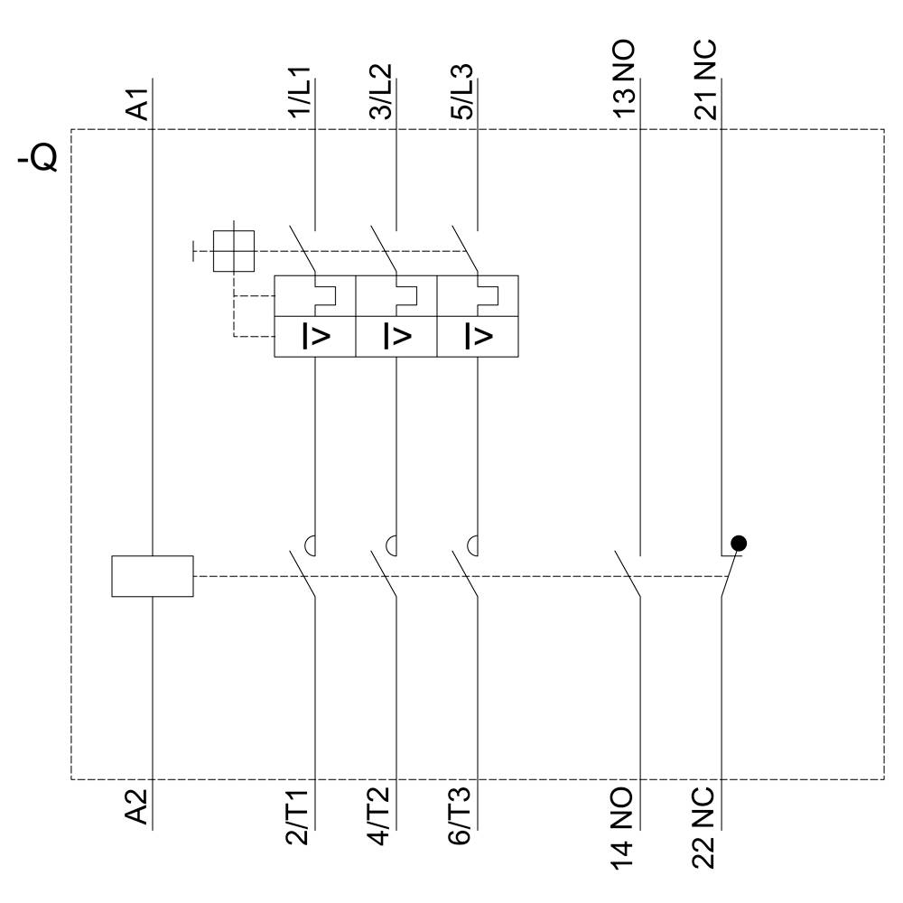
Schemat podłączenia przekaźnika z trzema stykami zwieralnymi. Zaciski: A1, A2, 1/L1, 3/L2, 5/L3, 2/T1, 4/T2, 6/T3, 13NO, 21NC, 22NC.
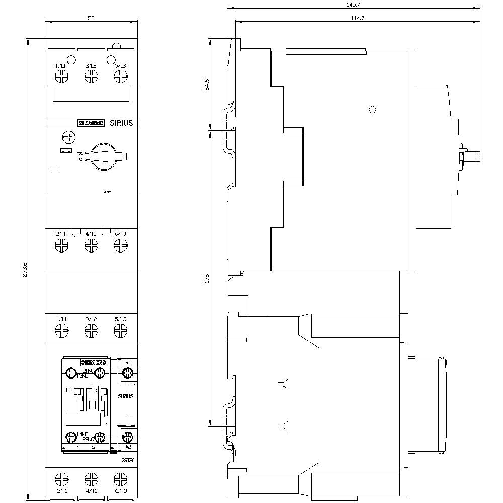
Rysunek techniczny urządzenia łączeniowego z wymiarami i szczegółami strukturalnymi. Komponenty i pomiary są przedstawione z precyzją.
1/5
Zdjęcie poglądowe
Siemens
Karta katalogowa (PDF)
 

Pokaż produkty alternatywne

Liczba

Suma (3495,12 zł / Sztuka)
zł
4299,00 zł
z VAT (klient indywidualny)
Zgłoś wątpliwości prawne
  • Ponad 1 250 000 produktów

  • Konto handlowe

  • Wyceny RFQ i BOM

  • Wsparcie techniczne

  • Zlecenia terminowe

  • Centrum pomocy

  • Zamówienia

  • Dostawa

  • Zwrot  

  • Faktury

  • Gwarancja i reklamacje

  • Dyrektywa Omnibus w Conrad

  • O firmie

  • Conrad Sourcing Platform

  • Pracuj w Conrad

  • Aktualne promocje

  • Marki własne

  • Strefa porad

  • Certyfikaty

  • Informacje o dostępności cyfrowej

  • Usługi dla firm

  • e-Procurement

  • Zapytanie ofertowe

  • Zlecenia terminowe

  • Produkty spoza katalogu

  • Vulnerability Disclosure Program

  • Serwisy

  • Serwis kalibracji

  • Kategorie produktowe A-Z

  • Nasze marki A-Z

  • Centrum dokumentacji

  • Usługa cięcia kabli na metry

  • Katalogi

  • System zarządzania rolami zakupowymi

Newsletter

Proszę podać prawidłowy adres e-mail!

Metody płatności
  • PayU
  • PayPal
  • Blik
Media społecznościowe

Kontakt
12 622 98 00
Pon-Pt godz. 8:00-17:00
bok@conrad.pl
 

Wszystkie ceny bez podatku VAT i kosztów dostawy. Przekreślona cena to zawsze najniższa cena oferty z 30 dni przed obniżką.

Wszystkie ceny zawierają podatek VAT, nie obejmują kosztów dostawy. Przekreślona cena to zawsze najniższa cena oferty z 30 dni przed obniżką.

*Rabaty obowiązują wyłącznie na produkty dostępne od ręki (status dostawy zielony): 15% zniżki na wszystkie produkty oświetleniowe marki Sygonix, 10% zniżki na cały asortyment marek Paulmann i Ledlenser, a także 10% na wybrane produkty marki Philips. Oferta ważna do 10.05.2026 r. na stronie conrad.pl Nie można łączyć z innymi kodami rabatowymi. 1x na klienta biznesowego/osobę prywatną. W indywidualnych przypadkach może zostać nałożone ograniczenie ilościowe.

  • Regulamin

  • Informacje dla konsumentów

  • Polityka prywatności

  • Polityka plików cookies

Porównanie produktów
Lista obserwowanych