Link bezpośredni
  • Conrad
  • Moje konto

    Zaloguj / Rejestracja

  • Koszyk

  • Wyprzedaż - sprawdź najlepsze okazje cenowe! Wyprzedaż - sprawdź najlepsze okazje cenowe!
  • Kategorie tematyczne
    Przemysł
    Infrastruktura
    Serwisy profesjonalne
  • Oferta
    Conrad - Your Sourcing Platform
    Promocje
    Wyprzedaż
    Nowości
    Bestsellery
    Strefa Porad
  • Serwisy
    E-Procurement
    Zapytanie ofertowe
    Produkty spoza katalogu
    Przedłużona gwarancja
    Serwis kalibracji
    Role Management System
  • Nasze produkty
  • Moje konto
  • Lista obserwowanych
  • Wyloguj
Conrad
Start
Elektromechanika Przekaźniki Przekaźniki czasowe, przekaźniki wielofunkcyjne Przekaźniki czasowe wielofunkcyjne

Siemens 3RA28111CW10 Przekaźnik czasowy 3RA2811-1CW10, 1 szt.

EAN:
Numer producenta
Numer produktu
Przemysłowe przekaźniki przełączające w kolorze szarym z logo Siemensa. Widocznych sześć zacisków oraz dwa przełączniki obrotowe na przedniej części do regulacji ustawień.
Przemysłowe przekaźniki przełączające w kolorze szarym z logo Siemensa. Widocznych sześć zacisków oraz dwa przełączniki obrotowe na przedniej części do regulacji ustawień.
Otwarta szafa sterownicza ukazuje komponenty elektroniczne i okablowanie, zorganizowane w kilku rzędach, przeznaczone dla przemysłowych systemów sterowania.
Schemat przedstawiający różne urządzenia elektryczne i moduły, w tym opis możliwości podłączenia oraz zastosowań.
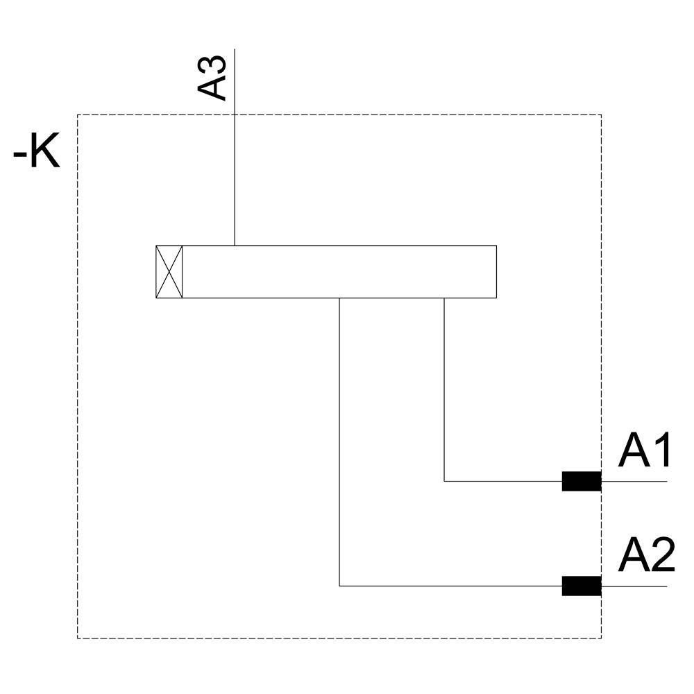
Schemat elektrycznego przełącznika z zaciskami A1, A2 i A3. '-K' oznacza funkcję przełącznika.
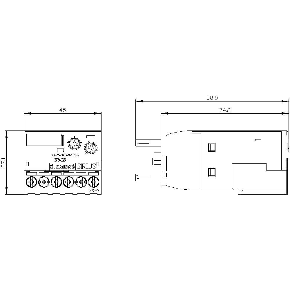
'Schemat elektryczny: widok z boku i z przodu elektronicznego przekaźnika o wymiarach 45 mm x 88,9 mm x 74,2 mm.'
Urządzenie elektryczne z napisem 'SIEMENS SIRIUS' oraz '3RA28', przystosowane do pracy z napięciem AC/DC 24–240V. Powyżej widocznych jest pięć zacisków śrubowych.
1/6
Zdjęcie poglądowe
Rodzaj produktu
Przekaźnik czasowy
Minimalne napięcie robocze
24 V
Maksymalne napięcie robocze
240 V
Model katalogowy producenta
3RA2811-1CW10
Zasilanie (zakres)
24 - 240 V
Karta katalogowa (PDF)
Siemens
 

Liczba

Suma
zł
349,00 zł
z VAT (klient indywidualny)
Zgłoś wątpliwości prawne
  • Ponad 1 250 000 produktów

  • Konto handlowe

  • Wyceny RFQ i BOM

  • Wsparcie techniczne

  • Zlecenia terminowe

  • Centrum pomocy

  • Zamówienia

  • Dostawa

  • Zwrot  

  • Faktury

  • Gwarancja i reklamacje

  • Dyrektywa Omnibus w Conrad

  • O firmie

  • Conrad Sourcing Platform

  • Pracuj w Conrad

  • Aktualne promocje

  • Marki własne

  • Strefa porad

  • Certyfikaty

  • Informacje o dostępności cyfrowej

  • Usługi dla firm

  • e-Procurement

  • Zapytanie ofertowe

  • Zlecenia terminowe

  • Produkty spoza katalogu

  • Vulnerability Disclosure Program

  • Serwisy

  • Serwis kalibracji

  • Kategorie produktowe A-Z

  • Nasze marki A-Z

  • Centrum dokumentacji

  • Usługa cięcia kabli na metry

  • Katalogi

  • System zarządzania rolami zakupowymi

Newsletter

Proszę podać prawidłowy adres e-mail!

Metody płatności
  • PayU
  • PayPal
  • Blik
Media społecznościowe

Kontakt
12 622 98 00
Pon-Pt godz. 8:00-17:00
bok@conrad.pl
 

Wszystkie ceny bez podatku VAT i kosztów dostawy. Przekreślona cena to zawsze najniższa cena oferty z 30 dni przed obniżką.

Wszystkie ceny zawierają podatek VAT, nie obejmują kosztów dostawy. Przekreślona cena to zawsze najniższa cena oferty z 30 dni przed obniżką.

Rabaty obowiązują wyłącznie na produkty dostępne od ręki (status dostawy zielony): 15% zniżki na wybrane produkty marki Reolink, 15% zniżki na wybrane produkty marki Sygonix oraz 10% zniżki na produkty marki Abus. Oferta ważna do 26.04.2026 r. na stronie conrad.pl Nie można łączyć z innymi kodami rabatowymi. 1x na klienta biznesowego/osobę prywatną. W indywidualnych przypadkach może zostać nałożone ograniczenie ilościowe.

  • Regulamin

  • Informacje dla konsumentów

  • Polityka prywatności

  • Polityka plików cookies

Porównanie produktów
Lista obserwowanych