Link bezpośredni
  • Conrad
  • Moje konto

    Zaloguj / Rejestracja

  • Koszyk

  • Wyprzedaż - sprawdź najlepsze okazje cenowe! Wyprzedaż - sprawdź najlepsze okazje cenowe!
  • Kategorie tematyczne
    Przemysł
    Infrastruktura
    Serwisy profesjonalne
  • Oferta
    Conrad - Your Sourcing Platform
    Promocje
    Wyprzedaż
    Nowości
    Bestsellery
    Strefa Porad
  • Serwisy
    E-Procurement
    Zapytanie ofertowe
    Produkty spoza katalogu
    Przedłużona gwarancja
    Serwis kalibracji
    Role Management System
  • Nasze produkty
  • Moje konto
  • Lista obserwowanych
  • Wyloguj
Conrad
Start
Automatyka i pneumatyka Automatyka Styczniki Styczniki

Stycznik Siemens 3RT2516-1AB00 3RT25161AB00, 4 styki, 1 szt.

EAN:
Numer producenta
Numer produktu
Siemens Sirius kontaktor, model 3RT25, w kolorach czarnym i niebieskim, z widocznymi wieloma złączami z przodu.
Siemens Sirius kontaktor, model 3RT25, w kolorach czarnym i niebieskim, z widocznymi wieloma złączami z przodu.
Komora robocza i szafa sterownicza robota myjącego w automatycznej myjni samochodowej podczas deszczowej pogody, z widocznymi elementami sterującymi i przewodami.
Ten schemat elektryczny przedstawia okablowanie rozdzielnic sterowniczych z przekaźnikami i osprzętem, w tym rozmieszczenie zacisków i ich funkcje.
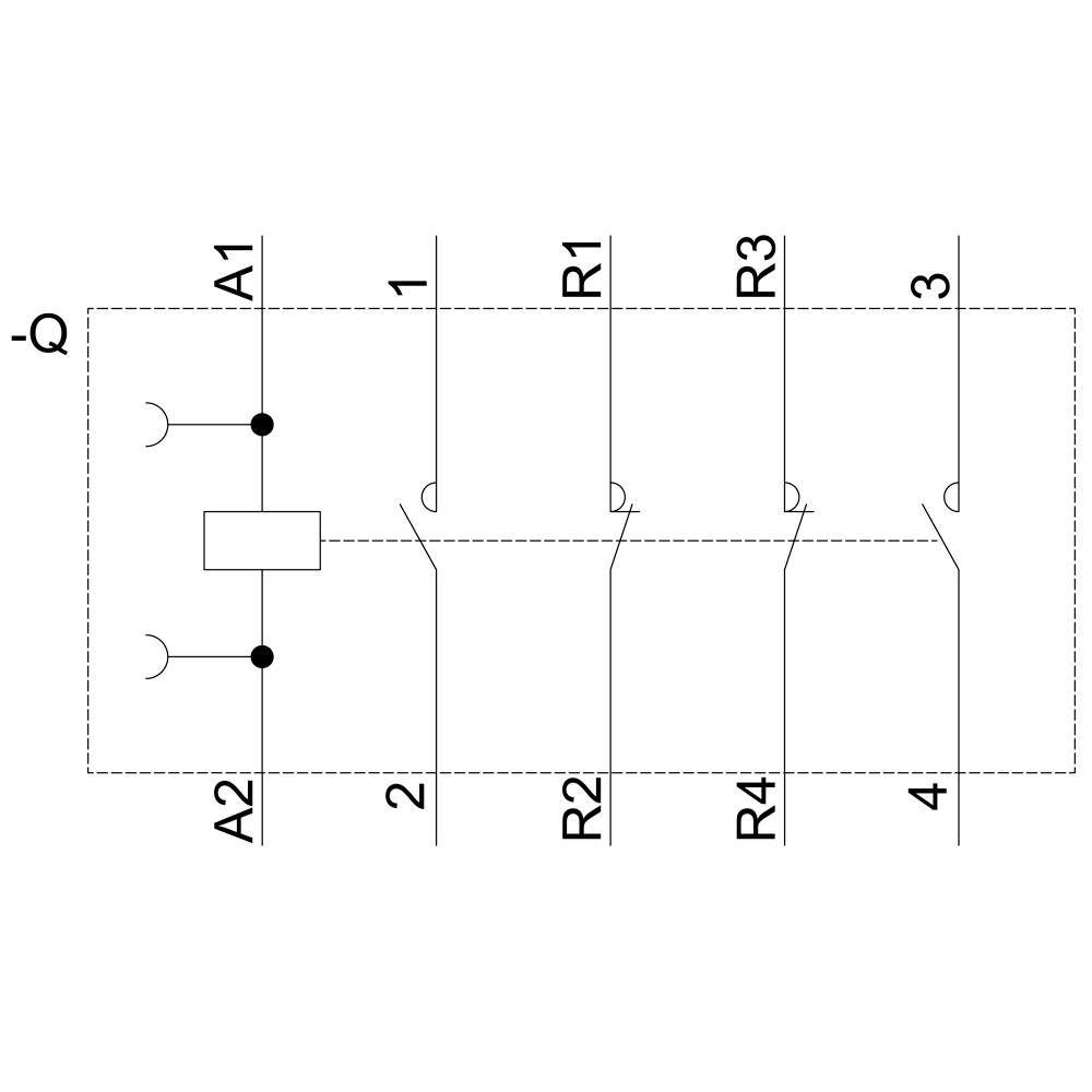
Schemat elektryczny: Czteropolowy przekaźnik z cewką na zaciskach A1 i A2. Styki 1-4 i R1-R4 są pozycjami przełączającymi.
Rysunek rozstrzelony 35-milimetrowego złącza szynowego z wymiarami: 45 mm szerokości, 75 mm długości, 24 mm wysokości. Przedstawia połączenia i wymiary.
Schemat elektryczny stycznika Siemens SIRIUS 3RT25, przedstawiający zaciski R1-R4 i A1-A2 u góry.
1/6
Zdjęcie poglądowe
Rodzaj produktu
Stycznik
Ilość pinów
4 styki
Połączenie komponentów
śrubowe
Model katalogowy producenta
3RT2516-1AB00
Rozmiar
S00
Karta katalogowa (PDF)
Siemens
 

Pokaż produkty alternatywne

Liczba

Suma (210,57 zł / Sztuka)
zł
259,00 zł
z VAT (klient indywidualny)
Zgłoś wątpliwości prawne
  • Ponad 1 250 000 produktów

  • Konto handlowe

  • Wyceny RFQ i BOM

  • Wsparcie techniczne

  • Zlecenia terminowe

  • Centrum pomocy

  • Zamówienia

  • Dostawa

  • Zwrot  

  • Faktury

  • Gwarancja i reklamacje

  • Dyrektywa Omnibus w Conrad

  • O firmie

  • Conrad Sourcing Platform

  • Pracuj w Conrad

  • Aktualne promocje

  • Marki własne

  • Strefa porad

  • Certyfikaty

  • Informacje o dostępności cyfrowej

  • Usługi dla firm

  • e-Procurement

  • Zapytanie ofertowe

  • Zlecenia terminowe

  • Produkty spoza katalogu

  • Vulnerability Disclosure Program

  • Serwisy

  • Serwis kalibracji

  • Kategorie produktowe A-Z

  • Nasze marki A-Z

  • Centrum dokumentacji

  • Usługa cięcia kabli na metry

  • Katalogi

  • System zarządzania rolami zakupowymi

Newsletter

Proszę podać prawidłowy adres e-mail!

Metody płatności
  • PayU
  • PayPal
  • Blik
Media społecznościowe

Kontakt
12 622 98 00
Pon-Pt godz. 8:00-17:00
bok@conrad.pl
 

Wszystkie ceny bez podatku VAT i kosztów dostawy. Przekreślona cena to zawsze najniższa cena oferty z 30 dni przed obniżką.

Wszystkie ceny zawierają podatek VAT, nie obejmują kosztów dostawy. Przekreślona cena to zawsze najniższa cena oferty z 30 dni przed obniżką.

*Rabaty obowiązują wyłącznie na produkty dostępne od ręki (status dostawy zielony): 15% zniżki na wszystkie produkty oświetleniowe marki Sygonix, 10% zniżki na cały asortyment marek Paulmann i Ledlenser, a także 10% na wybrane produkty marki Philips. Oferta ważna do 10.05.2026 r. na stronie conrad.pl Nie można łączyć z innymi kodami rabatowymi. 1x na klienta biznesowego/osobę prywatną. W indywidualnych przypadkach może zostać nałożone ograniczenie ilościowe.

  • Regulamin

  • Informacje dla konsumentów

  • Polityka prywatności

  • Polityka plików cookies

Porównanie produktów
Lista obserwowanych