Link bezpośredni
  • Conrad
  • Moje konto

    Zaloguj / Rejestracja

  • Koszyk

  • Wyprzedaż - sprawdź najlepsze okazje cenowe! Wyprzedaż - sprawdź najlepsze okazje cenowe!
  • Kategorie tematyczne
    Przemysł
    Infrastruktura
    Serwisy profesjonalne
  • Oferta
    Conrad - Your Sourcing Platform
    Promocje
    Wyprzedaż
    Nowości
    Bestsellery
    Strefa Porad
  • Serwisy
    E-Procurement
    Zapytanie ofertowe
    Produkty spoza katalogu
    Przedłużona gwarancja
    Serwis kalibracji
    Role Management System
  • Nasze produkty
  • Moje konto
  • Lista obserwowanych
  • Wyloguj
Conrad
Start
Elektromechanika Przekaźniki Przekaźniki nadzorcze Przekaźniki monitorujące wielkości elektryczne

Siemens 3RU21261FC0 Przekaźnik przeciążeniowy 3RU2126-1FC0, 1 szt.

EAN:
Numer producenta
Numer produktu
Przekaźnik przeciążeniowy Siemens Sirius z elementami sterującymi, takimi jak czerwony przycisk zatrzymania, niebieski przycisk resetowania, przycisk testowy oraz wskaźnik ustawienia klasy.
Przekaźnik przeciążeniowy Siemens Sirius z elementami sterującymi, takimi jak czerwony przycisk zatrzymania, niebieski przycisk resetowania, przycisk testowy oraz wskaźnik ustawienia klasy.
Otwarty rozdzielnik elektryczny z różnymi elementami elektrycznymi i kablami, zorganizowanymi w kilku rzędach i poziomach.
Diagram przedstawia urządzenie elektryczne z opisami jego elementów: od 1 do 7 oznacza uchwyty, przekaźniki przeciążeniowe i mechanizmy resetowania.
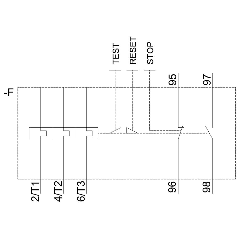
'Schemat elektryczny z trzema liniami pionowymi, oznaczonymi jako TEST, RESET, STOP. Dodatkowe oznaczenia: 2/T1, 4/T2, 6/T3.'
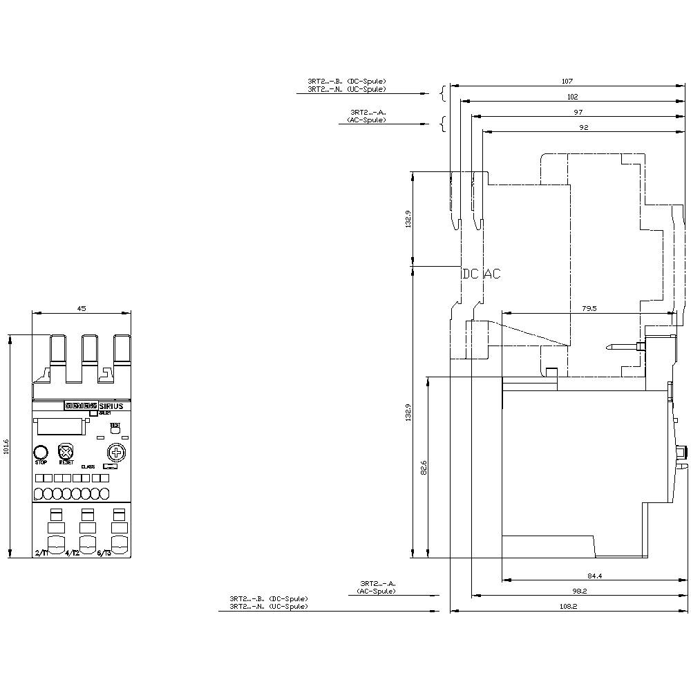
Diagram przedstawia rysunki techniczne elektrycznego przekaźnika z precyzyjnymi wymiarami w milimetrach.
Widok przedniej części urządzenia sterowniczego z logo Siemens SIRIUS, przyciskiem zatrzymania i resetowania, trybem testowym, oznaczonymi złączami 95-98, 2/T, 4/T2, 6/T3.
1/6
Zdjęcie poglądowe
Rodzaj produktu
Przekaźnik przeciążeniowy
Model katalogowy producenta
3RU2126-1FC0
Rozmiar
S0
Napięcie robocze
690 V
Zasilanie (zakres)
Karta katalogowa (PDF)
Deutsch (Deutschland)
Siemens
 


Liczba

Suma (259,35 zł / Sztuka)
283,74 zł
-9 %
zł
319,00 zł
z VAT (klient indywidualny)
Zgłoś wątpliwości prawne
  • Ponad 1 250 000 produktów

  • Konto handlowe

  • Wyceny RFQ i BOM

  • Wsparcie techniczne

  • Zlecenia terminowe

  • Centrum pomocy

  • Zamówienia

  • Dostawa

  • Zwrot  

  • Faktury

  • Gwarancja i reklamacje

  • Dyrektywa Omnibus w Conrad

  • O firmie

  • Conrad Sourcing Platform

  • Pracuj w Conrad

  • Aktualne promocje

  • Marki własne

  • Strefa porad

  • Certyfikaty

  • Informacje o dostępności cyfrowej

  • Usługi dla firm

  • e-Procurement

  • Zapytanie ofertowe

  • Zlecenia terminowe

  • Produkty spoza katalogu

  • Vulnerability Disclosure Program

  • Serwisy

  • Serwis kalibracji

  • Kategorie produktowe A-Z

  • Nasze marki A-Z

  • Centrum dokumentacji

  • Usługa cięcia kabli na metry

  • Katalogi

  • System zarządzania rolami zakupowymi

Newsletter

Proszę podać prawidłowy adres e-mail!

Metody płatności
  • PayU
  • PayPal
  • Blik
Media społecznościowe

Kontakt
12 622 98 00
Pon-Pt godz. 8:00-17:00
bok@conrad.pl
 

Wszystkie ceny bez podatku VAT i kosztów dostawy. Przekreślona cena to zawsze najniższa cena oferty z 30 dni przed obniżką.

Wszystkie ceny zawierają podatek VAT, nie obejmują kosztów dostawy. Przekreślona cena to zawsze najniższa cena oferty z 30 dni przed obniżką.

Rabaty obowiązują wyłącznie na produkty dostępne od ręki (status dostawy zielony): 15% zniżki na wybrane produkty marki Reolink, 15% zniżki na wybrane produkty marki Sygonix oraz 10% zniżki na produkty marki Abus. Oferta ważna do 26.04.2026 r. na stronie conrad.pl Nie można łączyć z innymi kodami rabatowymi. 1x na klienta biznesowego/osobę prywatną. W indywidualnych przypadkach może zostać nałożone ograniczenie ilościowe.

  • Regulamin

  • Informacje dla konsumentów

  • Polityka prywatności

  • Polityka plików cookies

Porównanie produktów
Lista obserwowanych