Link bezpośredni
  • Conrad
  • Moje konto

    Zaloguj / Rejestracja

  • Koszyk

  • Wyprzedaż - sprawdź najlepsze okazje cenowe! Wyprzedaż - sprawdź najlepsze okazje cenowe!
  • Kategorie tematyczne
    Przemysł
    Infrastruktura
    Serwisy profesjonalne
  • Oferta
    Conrad - Your Sourcing Platform
    Promocje
    Wyprzedaż
    Nowości
    Bestsellery
    Strefa Porad
  • Serwisy
    E-Procurement
    Zapytanie ofertowe
    Produkty spoza katalogu
    Przedłużona gwarancja
    Serwis kalibracji
    Role Management System
  • Nasze produkty
  • Moje konto
  • Lista obserwowanych
  • Wyloguj
Conrad
Start
Automatyka i pneumatyka Automatyka Styczniki Styczniki

Siemens 3RT2017-2LF42 Stycznik 3 NO 690 V/AC 1 szt.

EAN:
Numer producenta
Numer produktu
Elektryczny stycznik firmy Siemens z serii Sirius, numer modelu 3RT2027. Czarna obudowa z wieloma przyłączami.
Elektryczny stycznik firmy Siemens z serii Sirius, numer modelu 3RT2027. Czarna obudowa z wieloma przyłączami.
'Instalacja przemysłowa z otwartą szafą sterowniczą, widocznym okablowaniem i maszynami za mokrą od deszczu szybą w tle.'
Schemat elektrycznego urządzenia łączeniowego z różnymi komponentami, takimi jak styczniki, zaciski przyłączeniowe i elementy przełączające. Opisy wyjaśniają funkcje poszczególnych części.
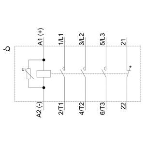
Elektryczny schemat połączeń styku z cewką na A1 i A2, stykami L1, L2, L3, T1, T2, T3 oraz stykami pomocniczymi 21 i 22.
Rysunek techniczny elementu elektrycznego z widokiem z przodu, z boku i z góry. Zawiera wymiary w milimetrach.
'Schemat elektryczny przystawki Siemens Sirius, przedstawiający zaciski i połączenia wewnętrzne. Oznaczenia: 1/L1, 3/L2, 5/L3, 2/T1.'
1/6
Zdjęcie poglądowe
Rodzaj produktu
Stycznik
Ilość pinów
3 styki
Napięcie znamionowe
690 V/AC
Połączenie komponentów
terminal przepustowy
Model katalogowy producenta
3RT2017-2LF42
Karta katalogowa (PDF)
Siemens
 

Liczba

Suma
340,65 zł
-7 %
zł
389,00 zł
z VAT (klient indywidualny)
Zgłoś wątpliwości prawne
  • Ponad 1 250 000 produktów

  • Konto handlowe

  • Wyceny RFQ i BOM

  • Wsparcie techniczne

  • Zlecenia terminowe

  • Centrum pomocy

  • Zamówienia

  • Dostawa

  • Zwrot  

  • Faktury

  • Gwarancja i reklamacje

  • Dyrektywa Omnibus w Conrad

  • O firmie

  • Conrad Sourcing Platform

  • Pracuj w Conrad

  • Aktualne promocje

  • Marki własne

  • Strefa porad

  • Certyfikaty

  • Informacje o dostępności cyfrowej

  • Usługi dla firm

  • e-Procurement

  • Zapytanie ofertowe

  • Zlecenia terminowe

  • Produkty spoza katalogu

  • Vulnerability Disclosure Program

  • Serwisy

  • Serwis kalibracji

  • Kategorie produktowe A-Z

  • Nasze marki A-Z

  • Centrum dokumentacji

  • Usługa cięcia kabli na metry

  • Katalogi

  • System zarządzania rolami zakupowymi

Newsletter

Proszę podać prawidłowy adres e-mail!

Metody płatności
  • PayU
  • PayPal
  • Blik
Media społecznościowe

Kontakt
12 622 98 00
Pon-Pt godz. 8:00-17:00
bok@conrad.pl
 

Wszystkie ceny bez podatku VAT i kosztów dostawy. Przekreślona cena to zawsze najniższa cena oferty z 30 dni przed obniżką.

Wszystkie ceny zawierają podatek VAT, nie obejmują kosztów dostawy. Przekreślona cena to zawsze najniższa cena oferty z 30 dni przed obniżką.

Rabaty obowiązują wyłącznie na produkty dostępne od ręki (status dostawy zielony): 15% zniżki na wybrane produkty marki Reolink, 15% zniżki na wybrane produkty marki Sygonix oraz 10% zniżki na produkty marki Abus. Oferta ważna do 26.04.2026 r. na stronie conrad.pl Nie można łączyć z innymi kodami rabatowymi. 1x na klienta biznesowego/osobę prywatną. W indywidualnych przypadkach może zostać nałożone ograniczenie ilościowe.

  • Regulamin

  • Informacje dla konsumentów

  • Polityka prywatności

  • Polityka plików cookies

Porównanie produktów
Lista obserwowanych