Link bezpośredni
  • Conrad
  • Moje konto

    Zaloguj / Rejestracja

  • Koszyk

  • Wyprzedaż - sprawdź najlepsze okazje cenowe! Wyprzedaż - sprawdź najlepsze okazje cenowe!
  • Kategorie tematyczne
    Przemysł
    Infrastruktura
    Serwisy profesjonalne
  • Oferta
    Conrad - Your Sourcing Platform
    Promocje
    Wyprzedaż
    Nowości
    Bestsellery
    Strefa Porad
  • Serwisy
    E-Procurement
    Zapytanie ofertowe
    Produkty spoza katalogu
    Przedłużona gwarancja
    Serwis kalibracji
    Role Management System
  • Nasze produkty
  • Moje konto
  • Lista obserwowanych
  • Wyloguj
Conrad
Start
Automatyka i pneumatyka Automatyka Styczniki Wyłączniki

Wyłącznik zasilania Siemens 3RV2041-4MA15 Zakres ustawienia (Prąd): 80 - 100 A Maksymalne napięcie przełączania: 690 V/A

EAN:
Numer producenta
Numer produktu
Wydajny elektryczny przekaźnik z trzema zaciskami w charakterystycznej niebieskiej obudowie, przeznaczony do zastosowań przemysłowych.
Wydajny elektryczny przekaźnik z trzema zaciskami w charakterystycznej niebieskiej obudowie, przeznaczony do zastosowań przemysłowych.
Otwarty rozdzielnik elektryczny z komponentami elektronicznymi po lewej stronie obrazu. Okno pokryte kroplami deszczu po prawej stronie, niewyraźnie ukazujące maszyny w tle.
Akcesoria do schematu elektrycznego z ponumerowanymi elementami: 1) Złącze poprzeczne, 2) Styk pomocniczy, 3) Transformator napięcia, 4) Mechanizmy odblokowania, 5) Blok zacisków.
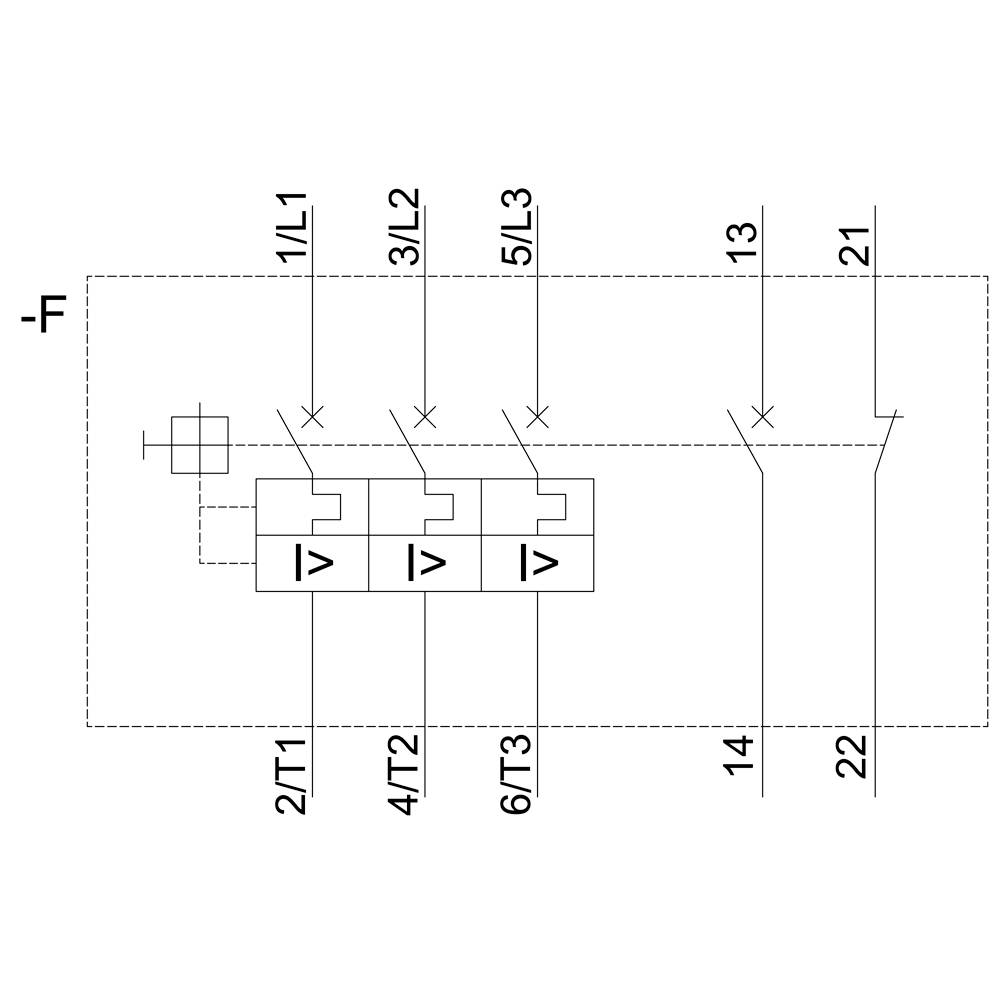
Diagram przedstawia schemat połączeń z trzema wyłącznikami ochronnymi oraz odpowiednimi zaciskami przyłączeniowymi oznaczonymi jako L1, L2, L3, T1, T2 oraz T3.
Rysunek techniczny urządzenia elektrycznego z widokiem z przodu, boku i z góry, wraz z wymiarami i podłączeniami.
1/5
Zdjęcie poglądowe
Rodzaj produktu
Wyłącznik zasilania
Maksymalne ustawienie natężenia
100 A
Model katalogowy producenta
3RV2041-4MA15
Rozmiar
S3
Zakres napięcia sterującego
Karta katalogowa (PDF)
Deutsch (Deutschland)
Siemens
Dostawaw wt. 21.04

Liczba

Suma
1991,06 zł
Cena netto 
2449,00 zł
z VAT (klient indywidualny)
Bezpłatna dostawa
Zgłoś wątpliwości prawne
  • Ponad 1 250 000 produktów

  • Konto handlowe

  • Wyceny RFQ i BOM

  • Wsparcie techniczne

  • Zlecenia terminowe

  • Centrum pomocy

  • Zamówienia

  • Dostawa

  • Zwrot  

  • Faktury

  • Gwarancja i reklamacje

  • Dyrektywa Omnibus w Conrad

  • O firmie

  • Conrad Sourcing Platform

  • Pracuj w Conrad

  • Aktualne promocje

  • Marki własne

  • Strefa porad

  • Certyfikaty

  • Informacje o dostępności cyfrowej

  • Usługi dla firm

  • e-Procurement

  • Zapytanie ofertowe

  • Zlecenia terminowe

  • Produkty spoza katalogu

  • Vulnerability Disclosure Program

  • Serwisy

  • Serwis kalibracji

  • Kategorie produktowe A-Z

  • Nasze marki A-Z

  • Centrum dokumentacji

  • Usługa cięcia kabli na metry

  • Katalogi

  • System zarządzania rolami zakupowymi

Newsletter

Proszę podać prawidłowy adres e-mail!

Metody płatności
  • PayU
  • PayPal
  • Blik
Media społecznościowe

Kontakt
12 622 98 00
Pon-Pt godz. 8:00-17:00
bok@conrad.pl
 

Wszystkie ceny bez podatku VAT i kosztów dostawy. Przekreślona cena to zawsze najniższa cena oferty z 30 dni przed obniżką.

Wszystkie ceny zawierają podatek VAT, nie obejmują kosztów dostawy. Przekreślona cena to zawsze najniższa cena oferty z 30 dni przed obniżką.

Rabat dotyczy wyłącznie produktów biurowych dostępnych od ręki (w magazynie) i obowiązuje do dnia 05.04.2026 r. na stronie conrad.pl Nie można ich łączyć z innymi kodami rabatowymi. 1x na klienta biznesowego/osobę prywatną. W indywidualnych przypadkach może zostać wprowadzone ograniczenie ilościowe.

Technika Pomiarowa
Rabat obowiązuje wyłącznie na wybrane i dostępne od ręki produkty (z zapasów magazynowych) z kategorii Technika Pomiarowa na stronie conrad.pl. Nie łączy się z innymi kodami rabatowymi. Oferta ważna jeden raz na klienta biznesowego lub osobę prywatną. W indywidualnych przypadkach może obowiązywać limit ilościowy zakupu. Oferta ważna do wyczerpania zapasów.

 

  • Regulamin

  • Informacje dla konsumentów

  • Polityka prywatności

  • Polityka plików cookies

Porównanie produktów
Lista obserwowanych