Link bezpośredni
  • Conrad
  • Moje konto

    Zaloguj / Rejestracja

  • Koszyk

  • Wyprzedaż - sprawdź najlepsze okazje cenowe! Wyprzedaż - sprawdź najlepsze okazje cenowe!
  • Kategorie tematyczne
    Przemysł
    Infrastruktura
    Serwisy profesjonalne
  • Oferta
    Conrad - Your Sourcing Platform
    Promocje
    Wyprzedaż
    Nowości
    Bestsellery
    Strefa Porad
  • Serwisy
    E-Procurement
    Zapytanie ofertowe
    Produkty spoza katalogu
    Przedłużona gwarancja
    Serwis kalibracji
    Role Management System
  • Nasze produkty
  • Moje konto
  • Lista obserwowanych
  • Wyloguj
Conrad
Start
Technika domowa & Smart Living Instalacje elektryczne Szafy rozdzielcze Włączniki schodowe

Wyłącznik czasowy światła na klatce schodowej Theben ELPA 8 1 szt.

EAN:
Numer producenta
Numer produktu
Elektryczny zegar sterujący marki 'Theben', model 'Elpa 8', wyświetla niebieskie wskazanie. Po lewej stronie widoczne są symbole zegara, napięcia i bezpiecznika.
Elektryczny zegar sterujący marki 'Theben', model 'Elpa 8', wyświetla niebieskie wskazanie. Po lewej stronie widoczne są symbole zegara, napięcia i bezpiecznika.
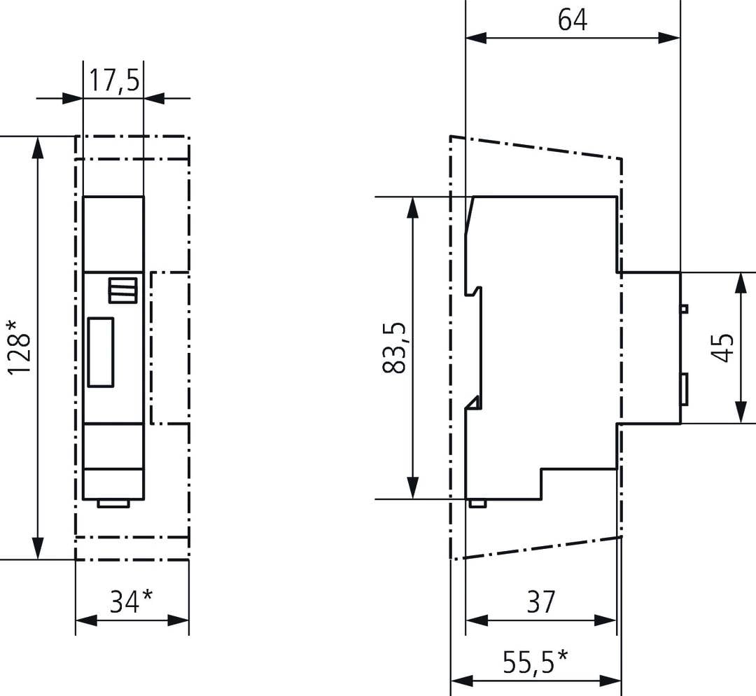
Rysunek techniczny prostokątnego elementu z wymiarami. Szerokość: 64 mm, wysokość: 83,5 mm, głębokość: 34 mm. Podane dokładne wymiary.
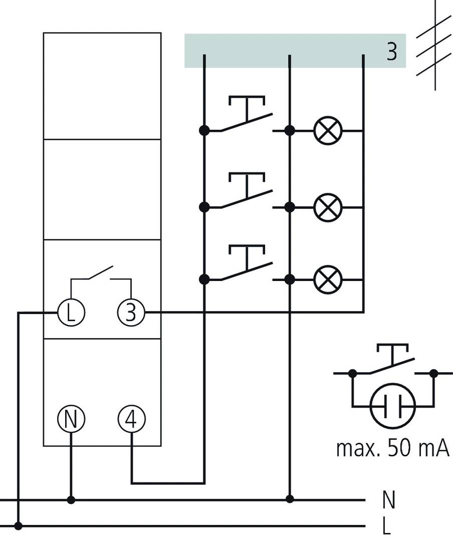
Schemat elektrycznego obwodu z przełącznikami, żarówkami i bezpiecznikami, opisany napisem 'maks. 50 mA'.
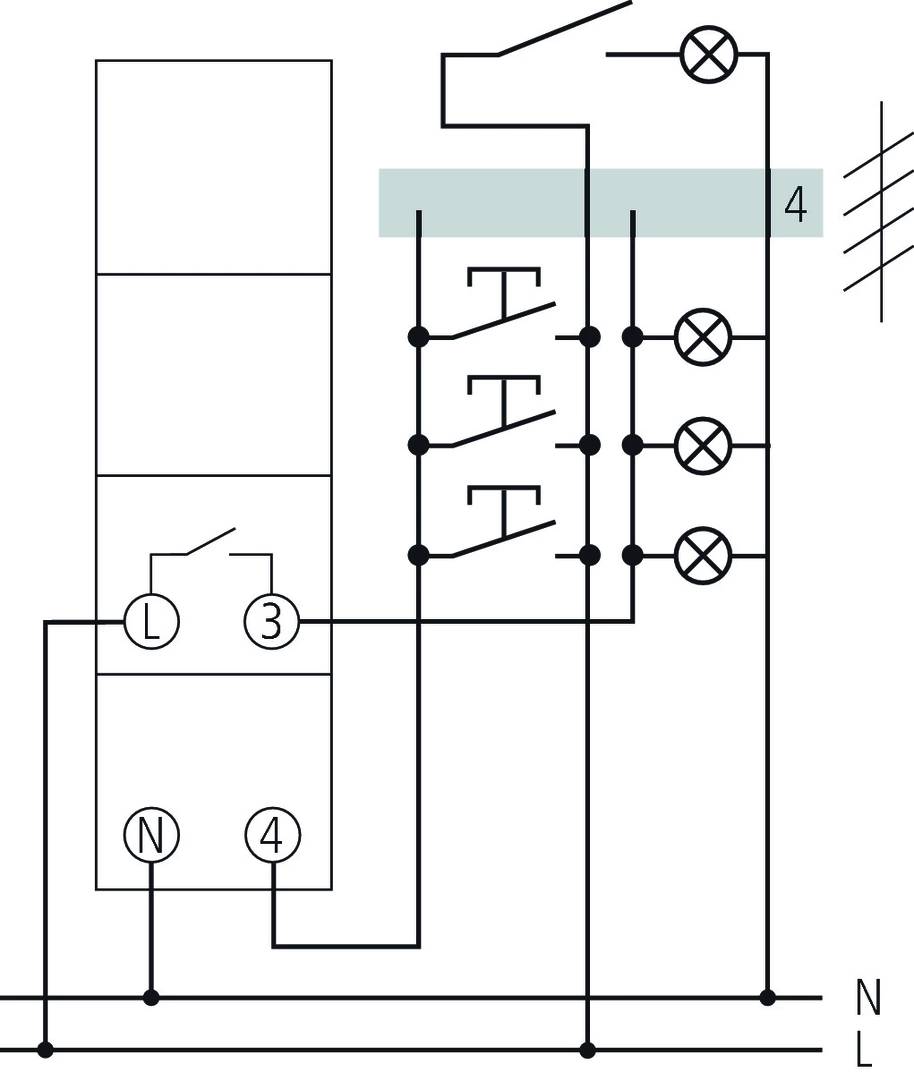
Techniczny rysunek schematu elektrycznego przedstawia elektryczne pole rozdzielcze z wyłącznikami, przewodami i symbolami, w tym L i N.
1/4
Napięcie znamionowe
230 V/AC
Sposób montażu
szyna montażowa
Rodzaj produktu
Licznik (Timer) do oświetlenia klatki schodowej
Natężenie znamionowe
16 A
Wymiary
(S x W x G) 17.5 x 83.5 x 64 mm
Karta katalogowa (PDF)
Deutsch (Deutschland)
Theben
 

16 Sztuki

Liczba

Suma (145,53 zł / Sztuka)
zł
179,00 zł
z VAT (klient indywidualny)
Zgłoś wątpliwości prawne
  • Ponad 1 250 000 produktów

  • Konto handlowe

  • Wyceny RFQ i BOM

  • Wsparcie techniczne

  • Zlecenia terminowe

  • Centrum pomocy

  • Zamówienia

  • Dostawa

  • Zwrot  

  • Faktury

  • Gwarancja i reklamacje

  • Dyrektywa Omnibus w Conrad

  • O firmie

  • Conrad Sourcing Platform

  • Pracuj w Conrad

  • Aktualne promocje

  • Marki własne

  • Strefa porad

  • Certyfikaty

  • Informacje o dostępności cyfrowej

  • Usługi dla firm

  • e-Procurement

  • Zapytanie ofertowe

  • Zlecenia terminowe

  • Produkty spoza katalogu

  • Vulnerability Disclosure Program

  • Serwisy

  • Serwis kalibracji

  • Kategorie produktowe A-Z

  • Nasze marki A-Z

  • Centrum dokumentacji

  • Usługa cięcia kabli na metry

  • Katalogi

  • System zarządzania rolami zakupowymi

Newsletter

Proszę podać prawidłowy adres e-mail!

Metody płatności
  • PayU
  • PayPal
  • Blik
Media społecznościowe

Kontakt
12 622 98 00
Pon-Pt godz. 8:00-17:00
bok@conrad.pl
 

Wszystkie ceny bez podatku VAT i kosztów dostawy. Przekreślona cena to zawsze najniższa cena oferty z 30 dni przed obniżką.

Wszystkie ceny zawierają podatek VAT, nie obejmują kosztów dostawy. Przekreślona cena to zawsze najniższa cena oferty z 30 dni przed obniżką.

Tydzień Technologii Instalacyjnych
*Zniżki obowiązują tylko na produkty dostępne od ręki (zielony status dostawy): 15% zniżki na wybrane produkty marki Sygonix, 10% zniżki na cały asortyment AS Schwabe i Brennenstuhl oraz 10% na wybrane produkty marki Siemens. Zniżki obowiązują do 24 maja 2026 r. na conrad.pl Nie można łączyć z innymi kodami rabatowymi. Jeden kod na klienta biznesowego/indywidualnego. W indywidualnych przypadkach mogą obowiązywać limity ilościowe.

Wiha
*Zniżka dotyczy wyłącznie produktów marki Wiha dostępnych od ręki (status dostawy zielony). Oferta ważna do 31.05.2026 r. na stronie conrad.pl Nie można łączyć z innymi kodami rabatowymi. Oferta ograniczona do jednego zamówienia na klienta biznesowego/osobę prywatną. W indywidualnych przypadkach może obowiązywać ograniczenie ilościowe.

  • Regulamin

  • Informacje dla konsumentów

  • Polityka prywatności

  • Polityka plików cookies

Porównanie produktów
Lista obserwowanych