Link bezpośredni
  • Conrad
  • Moje konto

    Zaloguj / Rejestracja

  • Koszyk

  • Wyprzedaż - sprawdź najlepsze okazje cenowe! Wyprzedaż - sprawdź najlepsze okazje cenowe!
  • Kategorie tematyczne
    Przemysł
    Infrastruktura
    Serwisy profesjonalne
  • Oferta
    Conrad - Your Sourcing Platform
    Promocje
    Wyprzedaż
    Nowości
    Bestsellery
    Strefa Porad
  • Serwisy
    E-Procurement
    Zapytanie ofertowe
    Produkty spoza katalogu
    Przedłużona gwarancja
    Serwis kalibracji
    Role Management System
  • Nasze produkty
  • Moje konto
  • Lista obserwowanych
  • Wyloguj
Conrad
Start
Automatyka i pneumatyka Automatyka Styczniki Wyłączniki

Wyłącznik zasilania Siemens 3RV2011-4AA15 Zakres ustawienia (Prąd): 10 - 16 A Maksymalne napięcie przełączania: 690 V/AC

EAN:
Numer producenta
Numer produktu
Niebieski wyłącznik silnikowy Siemens z pokrętłem, stosowany w obwodach elektrycznych do sterowania i zabezpieczania silników.
Niebieski wyłącznik silnikowy Siemens z pokrętłem, stosowany w obwodach elektrycznych do sterowania i zabezpieczania silników.
Maszyna w ruchu: Lewa strona pokazuje otwartą elektronikę sterowniczą. Prawa strona widoczna przez deszczem zalane okno, ukazuje ruch maszyny.
'Montowalne elementy wyposażenia dodatkowego do wyłączników mocy: złącza poprzeczne, wyłączniki podnapięciowe, przełączniki sygnalizacyjne i rozłączniki, skrzynka zaciskowa.'
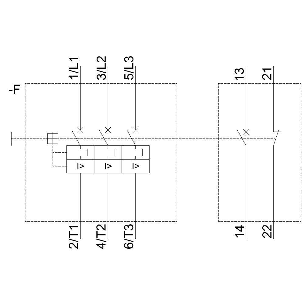
Schemat połączeń silnika elektrycznego z 3 przewodami i przełącznikami, oznaczonymi jako 1L1, 3L2, 5L3, połączonymi z 2T1, 4T2, 6T3.
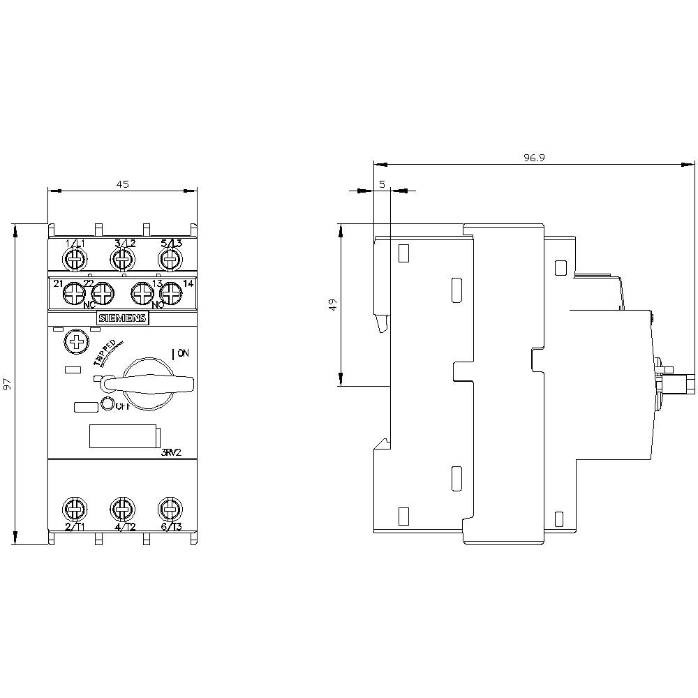
Rysunek techniczny elektrycznego przekaźnika z wymiarami: szerokość 45 mm, wysokość 97 mm, głębokość 96,9 mm. Widok z boku i z przodu.
Urządzenie sterownicze przedstawia pokrętło sterujące, które można ustawić na 'WŁ.', 'Wyzwolenie' i 'WYŁ.', z przyłączami elektrycznymi u góry i u dołu.
1/6
Zdjęcie poglądowe
Rodzaj produktu
Wyłącznik zasilania
Maksymalne ustawienie natężenia
16 A
Model katalogowy producenta
3RV2011-4AA15
Rozmiar
S00
Zakres napięcia sterującego
Karta katalogowa (PDF)
Siemens
 

5 Sztuki

Liczba

Suma (446,34 zł / Sztuka)
zł
549,00 zł
z VAT (klient indywidualny)
Dostępnych jest tylko 5 sztuk
Zgłoś wątpliwości prawne
  • Ponad 1 250 000 produktów

  • Konto handlowe

  • Wyceny RFQ i BOM

  • Wsparcie techniczne

  • Zlecenia terminowe

  • Centrum pomocy

  • Zamówienia

  • Dostawa

  • Zwrot  

  • Faktury

  • Gwarancja i reklamacje

  • Dyrektywa Omnibus w Conrad

  • O firmie

  • Conrad Sourcing Platform

  • Pracuj w Conrad

  • Aktualne promocje

  • Marki własne

  • Strefa porad

  • Certyfikaty

  • Informacje o dostępności cyfrowej

  • Usługi dla firm

  • e-Procurement

  • Zapytanie ofertowe

  • Zlecenia terminowe

  • Produkty spoza katalogu

  • Vulnerability Disclosure Program

  • Serwisy

  • Serwis kalibracji

  • Kategorie produktowe A-Z

  • Nasze marki A-Z

  • Centrum dokumentacji

  • Usługa cięcia kabli na metry

  • Katalogi

  • System zarządzania rolami zakupowymi

Newsletter

Proszę podać prawidłowy adres e-mail!

Metody płatności
  • PayU
  • PayPal
  • Blik
Media społecznościowe

Kontakt
12 622 98 00
Pon-Pt godz. 8:00-17:00
bok@conrad.pl
 

Wszystkie ceny bez podatku VAT i kosztów dostawy. Przekreślona cena to zawsze najniższa cena oferty z 30 dni przed obniżką.

Wszystkie ceny zawierają podatek VAT, nie obejmują kosztów dostawy. Przekreślona cena to zawsze najniższa cena oferty z 30 dni przed obniżką.

*Rabaty obowiązują wyłącznie na produkty dostępne od ręki (status dostawy zielony): 15% zniżki na wszystkie produkty oświetleniowe marki Sygonix, 10% zniżki na cały asortyment marek Paulmann i Ledlenser, a także 10% na wybrane produkty marki Philips. Oferta ważna do 10.05.2026 r. na stronie conrad.pl Nie można łączyć z innymi kodami rabatowymi. 1x na klienta biznesowego/osobę prywatną. W indywidualnych przypadkach może zostać nałożone ograniczenie ilościowe.

  • Regulamin

  • Informacje dla konsumentów

  • Polityka prywatności

  • Polityka plików cookies

Porównanie produktów
Lista obserwowanych