Link bezpośredni
  • Conrad
  • Moje konto

    Zaloguj / Rejestracja

  • Koszyk

  • Wyprzedaż - sprawdź najlepsze okazje cenowe! Wyprzedaż - sprawdź najlepsze okazje cenowe!
  • Kategorie tematyczne
    Przemysł
    Infrastruktura
    Serwisy profesjonalne
  • Oferta
    Conrad - Your Sourcing Platform
    Promocje
    Wyprzedaż
    Nowości
    Bestsellery
    Strefa Porad
  • Serwisy
    E-Procurement
    Zapytanie ofertowe
    Produkty spoza katalogu
    Przedłużona gwarancja
    Serwis kalibracji
    Role Management System
  • Nasze produkty
  • Moje konto
  • Lista obserwowanych
  • Wyloguj
Conrad
Start
Automatyka i pneumatyka Automatyka Styczniki Wyłączniki

Wyłącznik zasilania Siemens 3RV2311-1DC20 Maksymalne napięcie przełączania: 690 V/AC (S x W x G) 45 x 106 x 97 mm 1 szt.

EAN:
Numer producenta
Numer produktu
Przełącznik przemysłowy Siemens Sirius z dwoma przełącznikami kołyśkowymi i złączami, w ciemnej obudowie.
Przełącznik przemysłowy Siemens Sirius z dwoma przełącznikami kołyśkowymi i złączami, w ciemnej obudowie.
Otwarty szafa sterownicza z elektronicznymi komponentami po lewej stronie oraz okno z kroplami deszczu po prawej stronie, za którym widać niewyraźną maszynę.
Dostępne akcesoria montażowe przedstawiają komponenty łączeniowe z numerami. Uwzględnij połączenia poprzeczne, styki pomocnicze i bloki zaciskowe jako główne elementy.
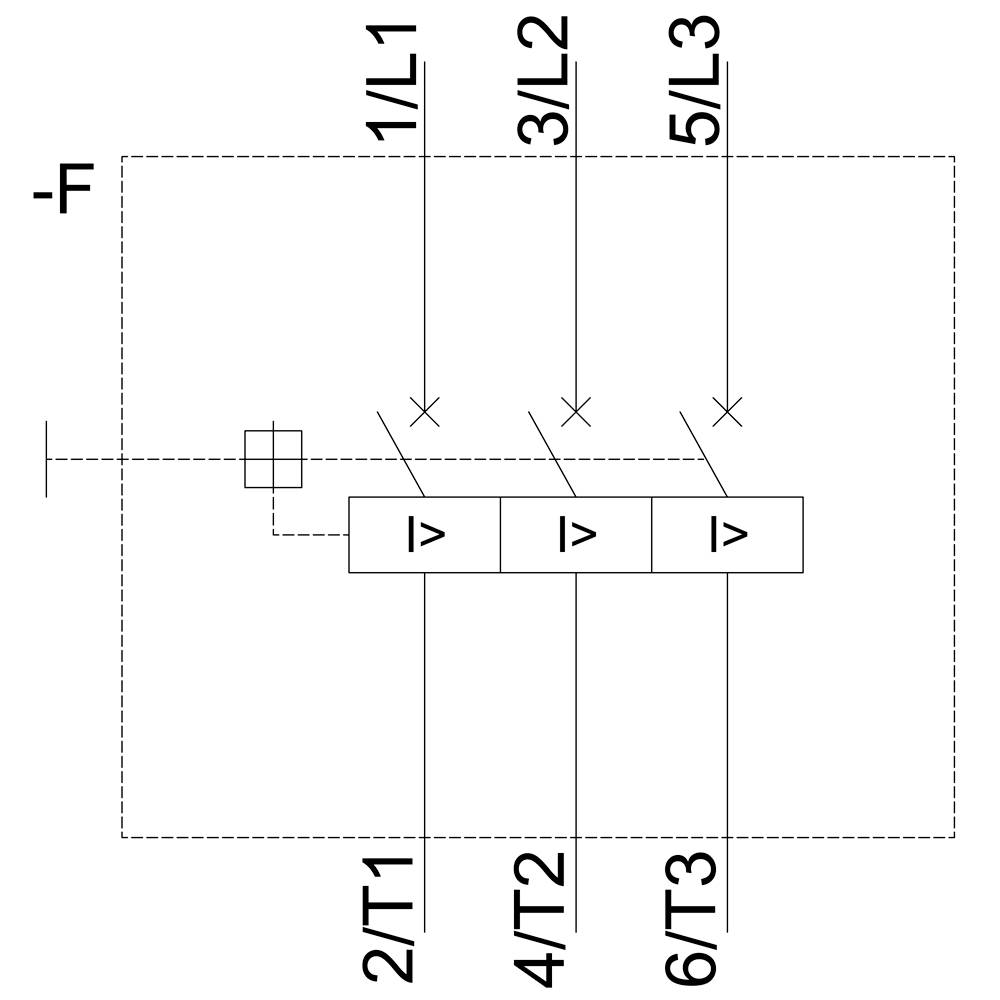
Schemat elektryczny z symbolami wyłączników i bezpieczników. Oznaczenia: 1/L1, 2/T1, 3/L2, 4/T2, 5/L3, 6/T3.
Rysunek techniczny elektrycznego wyłącznika typu 'SIRIUS'. Wymiary: 106 mm wysokości, 45 mm szerokości, 96,9 mm głębokości.
Rysunek włącznika Siemens SIRIUS z pozycjami 'Włączony', 'Wyłączony' i 'Wyzwolony'. Zaciski przyłączeniowe pokazane u góry i u dołu.
1/6
Zdjęcie poglądowe
Rodzaj produktu
Wyłącznik zasilania
Model katalogowy producenta
3RV2311-1DC20
Rozmiar
S00
Zakres napięcia sterującego
Zakres ustawienia (Prąd)
Karta katalogowa (PDF)
Siemens
 

Pokaż produkty alternatywne

Liczba

Suma (413,82 zł / Sztuka)
zł
509,00 zł
z VAT (klient indywidualny)
Zgłoś wątpliwości prawne
  • Ponad 1 250 000 produktów

  • Konto handlowe

  • Wyceny RFQ i BOM

  • Wsparcie techniczne

  • Zlecenia terminowe

  • Centrum pomocy

  • Zamówienia

  • Dostawa

  • Zwrot  

  • Faktury

  • Gwarancja i reklamacje

  • Dyrektywa Omnibus w Conrad

  • O firmie

  • Conrad Sourcing Platform

  • Pracuj w Conrad

  • Aktualne promocje

  • Marki własne

  • Strefa porad

  • Certyfikaty

  • Informacje o dostępności cyfrowej

  • Usługi dla firm

  • e-Procurement

  • Zapytanie ofertowe

  • Zlecenia terminowe

  • Produkty spoza katalogu

  • Vulnerability Disclosure Program

  • Serwisy

  • Serwis kalibracji

  • Kategorie produktowe A-Z

  • Nasze marki A-Z

  • Centrum dokumentacji

  • Usługa cięcia kabli na metry

  • Katalogi

  • System zarządzania rolami zakupowymi

Newsletter

Proszę podać prawidłowy adres e-mail!

Metody płatności
  • PayU
  • PayPal
  • Blik
Media społecznościowe

Kontakt
12 622 98 00
Pon-Pt godz. 8:00-17:00
bok@conrad.pl
 

Wszystkie ceny bez podatku VAT i kosztów dostawy. Przekreślona cena to zawsze najniższa cena oferty z 30 dni przed obniżką.

Wszystkie ceny zawierają podatek VAT, nie obejmują kosztów dostawy. Przekreślona cena to zawsze najniższa cena oferty z 30 dni przed obniżką.

*Rabaty obowiązują wyłącznie na produkty dostępne od ręki (status dostawy zielony): 15% zniżki na wszystkie produkty oświetleniowe marki Sygonix, 10% zniżki na cały asortyment marek Paulmann i Ledlenser, a także 10% na wybrane produkty marki Philips. Oferta ważna do 10.05.2026 r. na stronie conrad.pl Nie można łączyć z innymi kodami rabatowymi. 1x na klienta biznesowego/osobę prywatną. W indywidualnych przypadkach może zostać nałożone ograniczenie ilościowe.

  • Regulamin

  • Informacje dla konsumentów

  • Polityka prywatności

  • Polityka plików cookies

Porównanie produktów
Lista obserwowanych