Link bezpośredni
  • Conrad
  • Moje konto

    Zaloguj / Rejestracja

  • Koszyk

  • Wyprzedaż - sprawdź najlepsze okazje cenowe! Wyprzedaż - sprawdź najlepsze okazje cenowe!
  • Kategorie tematyczne
    Przemysł
    Infrastruktura
    Serwisy profesjonalne
  • Oferta
    Conrad - Your Sourcing Platform
    Promocje
    Wyprzedaż
    Nowości
    Bestsellery
    Strefa Porad
  • Serwisy
    E-Procurement
    Zapytanie ofertowe
    Produkty spoza katalogu
    Przedłużona gwarancja
    Serwis kalibracji
    Role Management System
  • Nasze produkty
  • Moje konto
  • Lista obserwowanych
  • Wyloguj
Conrad
  1. Start
  2. Strefa porad
  3. Technika pomiarowa i zasilanie
  4. Zasilacze laboratoryjne – wybierz odpowiednie urządzenie zasilające

Zasilacze laboratoryjne – wybierz odpowiednie urządzenie zasilające

Zasilacze laboratoryjne to niezbędne urządzenia dla zapewnienia energii elektrycznej o wymaganych parametrach jakościowych i gwarantowanie jej bezawaryjnej dostępności. Zasilanie maszyn i urządzeń to jeden z najważniejszych obszarów w przemyśle, a także w branżach - teleinformatycznej, mieszkaniowo-budowlanej, transportowej oraz energetyce. Ich funkcjonowanie zależy także od  dodatkowych funkcjonalności takich jak możliwość programowania napięcia wyjściowego oraz ogranicznika prądowego. Wybierz odpowiedni rodzaj zasilacza laboratoryjnego z szerokiej oferty urządzeń dostępnych na rynku.

Zasilacze laboratoryjne - zastosowanie

Zasilacze laboratoryjne o zróżnicowanych parametrach to niezbędne urządzenia dla elektronika, elektryka czy serwisanta. Przetwarzają prąd zmienny w prąd stały o określonych parametrach napięcia oraz dostarczają go do zewnętrznego sprzętu elektronicznego. Zapewniają brak podatności podłączonych do zasilacza urządzeń na awarie spowodowane dostarczeniem do nich prądu niezgodnego z ich specyfikacją. Znajdują zastosowanie w pracowniach elektronicznych i badawczych, a także w warsztatach samochodowych i laboratoriach elektroników hobbystów.

 Rodzaje zasilaczy laboratoryjnych

  • Zasilacze stałonapięciowe

To uniwersalne zasilacze posiadające elektroniczną stabilizację napięcia stałego i prądu.

  • Zasilacze regulowane

Cechują się płynną regulacją umożliwiającą bardzo dokładne nastawienie napięcia i prądu wyjściowego z uwzględnieniem bardzo małych przyrostów lub spadków.

Zasilacze laboratoryjne – wybierz odpowiednie urządzenie zasilające
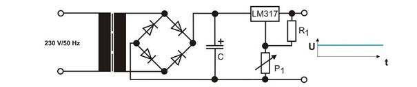
Schemat zasilacza

Rys. Przy regulowanej stabilizacji, napięcie DC na wyjściu można ustawić indywidualnie. / Źródło: conrad.de

Są alternatywę dla zasilaczy o stałym napięciu i pozwalają  na indywidualne ustawienie napięcia wyjściowego. W najprostszym przypadku odbywa się to za pomocą zintegrowanego regulatora napięcia, np. z oznaczeniem LM 317 (patrz rys. powyżej), który otrzymuje aktualne odniesienie z napięcia wyjściowego do stabilizacji za pośrednictwem rezystora R1. Zmieniając nastawnik P1, napięcie wyjściowe można ustawić indywidualnie.

Zasilacz laboratoryjny sterowany mikroprocesorem

W nowoczesnych zasilaczach typowe potencjometry służące do regulacji napięcia i prądu zostały zastąpione klawiaturą (zwykle numeryczną) i wyposażone w wyświetlacze cyfrowe. W najtańszych modelach zasilaczy można spotkać wyświetlacze typu LED zaś w droższych modelach alfanumeryczne lub ciekłokrystaliczne wyświetlacze, dodatkowo wyposażone w podświetlenie. Mają wiele funkcji, które zdecydowanie ułatwiają ich obsługę. Na ekranie wyświetlacza oprócz wartości napięcia i prądu wyjściowego wyświetlane są komunikaty takie jak: przekroczenie ustawionych wartości prądu czy napięcia, tryp pracy zasilacza. Kolejnymi zaletami zasilaczy z mikroprocesorem są możliwość zaprogramowania napięcia i prądu maksymalnego oraz często także ustawienia wartości prądu, po przekroczeniu którego prąd wyjściowy spadnie do zera.

Podział zasilaczy ze względu na sposób montażu

Zasilacze stołowe

Zasilacze laboratoryjne mogą znacznie różnić się pod względem konstrukcji. Zasilacze stołowe często wyposażone są w praktyczne uchwyty do wygodnego transportu. Są urządzeniami zasilającymi sprawdzającymi się w zastosowaniach dydaktycznych, a  także laboratoriach oraz pracowniach warsztatowych, gdzie wielkość obudowy ma mniejsze znaczenie.

Zasada działania zasilaczy impulsowych oparta jest na zamontowanej wewnątrz przetwornicy napięcia. Napięcie przemienne zmieniane jest na jednokierunkowe przez prostowniki i kondensatory, które wygładzają tętnienia. Korzystając z zasilacza impulsowego należy pamiętać, że silne impulsy prądowe i napięciowe powinny być dobrze odfiltrowane.

Zasilacze impulsowe coraz częściej zastępowane są przez zasilacze liniowe. Urządzenia te zmieniają napięcie przemienne, za pomocą transformatora o prostej konstrukcji, na stałe dostosowane do wartości urządzenia, zapobiegając jego przypadkowemu uszkodzeniu.

Seria zasilaczy laboratoryjnych o dużej mocy

Fot. Zasilacz laboratoryjny regulowany VOLTCRAFT HPS-13015

Porównanie zasilaczy liniowych i impulsowych

 

Zasilacze liniowe:Zasilacze impulsowe:
  • Liniowe zasilacze laboratoryjne są stosunkowo proste, a regulacja napięcia wyjściowego jest zwykle szybsza i dokładniejsza. Wydajność wyjściowa jest stosunkowo niska, przy czym ograniczenie prądowe reaguje bardzo szybko. Urządzenia są łatwe w naprawie i nie wymagają dodatkowych elementów przeciwdziałających zakłóceniom.
  • Ze względu na wyższe częstotliwości taktowania zasilacze mają lepszą wydajność, a konstrukcja transformatora transformatora może być znacznie mniejsza. Obciążenie temperaturowe jest znacznie mniejsze, ponadto kondensatory filtrujące nie muszą już mieć takich wysokich wartości pojemności.
  • Przy niskich napięciach wyjściowych i wysokich prądach obciążenie temperaturowe liniowego zasilacza laboratoryjnego może być znaczne, co wymaga dobrego chłodzenia za pomocą radiatorów i wentylatorów. Zasilacze o dużej mocy wymagają dużych transformatorów, przez co są mniej poręczne, ciężkie i droższe.
  • Cały zasilacz jest znacznie mniejszy i lżejszy przy zachowaniu odpowiedniej wydajności. Z tego powodu zasilacze laboratoryjne o dużej mocy są zaprojektowane jako zasilacze impulsowe.

Zasilacze rack

Zasilacze z obudową 19" nadają się do montażu w znormalizowanej szafie sterowniczej lub w obudowie 19”. Zasilacze do urządzeń kompatybilnych z szafami rack 19" cechują się niewielką wysokością i dużą mocą zwykle przekraczającą 100 kW. Posiadają odpowiednią do reprezentowanych osiągów wentylację oraz możliwość kontrolowania zasilaczy z wykorzystaniem złącza RS-232 czy Ethernet. To bardzo precyzyjne urządzenie pozwalające sprowadzić szumy do minimum przy jednoczesnej dużej  gęstości mocy. Wyposażone w szeroką gamę dostępnych interfejsów, takich jak szeregowy RS-232, RS-485, USB, LXI czy GPIB, dzięki czemu możliwa jest całkowita kontrola ich działania z poziomu komputera PC.

Wybór zasilacza laboratoryjnego – kryteria doboru urządzenia

⦁ liczba kanałów - do najpopularniejszych należą zasilacze 1- i 2-kanałowe, ale coraz częściej spotkać można urządzenia 3- i 4-kanałowe

⦁ zakres napięcia i prądu wyjściowego - mniejsze urządzenia mają prąd ograniczony do kilkuset miliamperów, większe zasilacze dostarczają prąd w granicach nawet kilkaset amperów. Warto stosować zasilacz posiadający pewien zapas mocy, zwłaszcza jeżeli  przewidujemy  możliwość długookresowego zasilania badanych układów.

⦁ zabezpieczenia i filtry

  • zabezpieczenie przed poborem zbyt dużego prądu obciążenia, najlepiej z możliwością regulacji prądu maksymalnego
  • odporność na przegrzewanie
  • wbudowane zabezpieczenia przeciwprzepięciowe
  • filtry przeciwzakłóceniowe EMC likwidujące zakłócenia sieci.

Podczas wyboru zasilacza warto odpowiedzieć również na pytania:

  1. Certyfikat:
    Czy zasilacz musi być certyfikowany zgodnie z ISO lub DAkkS?
  2. Obudowa:
    Czy powinien to byćzasilacz 19” czy zasilacz stołowy?
  3. Liczba wyjść:
    Czy jedno wyjście jest wystarczające, czy też zasilacz powinien mieć kilka wyjść?
  4. Zakres napięcia:
    Czy wyjścia muszą być regulowane, a jeśli tak, to w jakim zakresie napięcia? Czy wystarczający będzie zasilacz stałonapięciowy.
  5. Zakres prądu:
    Przy wyborze zakresu prądu decydujące znaczenie ma odbiornik końcowy. W razie wątpliwości należy wybrać nieco większy zakres, jeśli pozwala na to budżet.
  6. Wyświetlacz i wskaźniki:
    Czy wystarczające są urządzenia ze wskaźnikami analogowymi czy dokładniejszymi wyświetlaczami cyfrowymi? Czy wyświetlanie napięcia wyjściowego jest wystarczające, czy powinien być wyświetlany także prąd wyjściowy?
  7. Dodatkowe funkcje:
    W tym przypadku należy dokładnie przemyśleć, co jest absolutnie konieczne. Stałe napięcie wyjściowe dodane jest zwykle jako opcja standardowa, ale zasilacze nie są wyposażone we wszystkie interfejsy i funkcje programowania, które mogłyby być istotne w przypadku konkretnych zastosowań.

olecane kategorie:

  • Zasilacze laboratoryjne 48,3 cm (19'')
  • Zasilacze laboratoryjne stołowe
  • Zasilacze na szynę DIN i do zabudowy
  • Moduły zasilające

Polecane produkty:

  • Zasilacz laboratoryjny regulowany VOLTCRAFT HPS-13015, 450 W
  • Zasilacz laboratoryjny regulowany VOLTCRAFT PS-1152 A, 22.5 W
  • Zasilacz laboratoryjny regulowany Statron 5359.0 5359.0, 42 W

Polecane akcesoria:

  • Zasilacze awaryjne UPS
  • Akumulatory do zasilaczy UPS
  • Transformatory
  • Ponad 1 250 000 produktów

  • Konto handlowe

  • Wyceny RFQ i BOM

  • Wsparcie techniczne

  • Zlecenia terminowe

  • Centrum pomocy

  • Zamówienia

  • Dostawa

  • Zwrot  

  • Faktury

  • Gwarancja i reklamacje

  • Dyrektywa Omnibus w Conrad

  • O firmie

  • Conrad Sourcing Platform

  • Pracuj w Conrad

  • Aktualne promocje

  • Marki własne

  • Strefa porad

  • Certyfikaty

  • Informacje o dostępności cyfrowej

  • Usługi dla firm

  • e-Procurement

  • Zapytanie ofertowe

  • Zlecenia terminowe

  • Produkty spoza katalogu

  • Vulnerability Disclosure Program

  • Serwisy

  • Serwis kalibracji

  • Kategorie produktowe A-Z

  • Nasze marki A-Z

  • Centrum dokumentacji

  • Usługa cięcia kabli na metry

  • Katalogi

  • System zarządzania rolami zakupowymi

Newsletter

Proszę podać prawidłowy adres e-mail!

Metody płatności
  • PayU
  • PayPal
  • Blik
Media społecznościowe

Kontakt
12 622 98 00
Pon-Pt godz. 8:00-17:00
bok@conrad.pl
 

Wszystkie ceny bez podatku VAT i kosztów dostawy. Przekreślona cena to zawsze najniższa cena oferty z 30 dni przed obniżką.

Wszystkie ceny zawierają podatek VAT, nie obejmują kosztów dostawy. Przekreślona cena to zawsze najniższa cena oferty z 30 dni przed obniżką.

Rabat dotyczy wyłącznie produktów biurowych dostępnych od ręki (w magazynie) i obowiązuje do dnia 05.04.2026 r. na stronie conrad.pl Nie można ich łączyć z innymi kodami rabatowymi. 1x na klienta biznesowego/osobę prywatną. W indywidualnych przypadkach może zostać wprowadzone ograniczenie ilościowe.

Technika Pomiarowa
Rabat obowiązuje wyłącznie na wybrane i dostępne od ręki produkty (z zapasów magazynowych) z kategorii Technika Pomiarowa na stronie conrad.pl. Nie łączy się z innymi kodami rabatowymi. Oferta ważna jeden raz na klienta biznesowego lub osobę prywatną. W indywidualnych przypadkach może obowiązywać limit ilościowy zakupu. Oferta ważna do wyczerpania zapasów.

 

Mega Deals

1x na klienta biznesowego, ważny do 20.03.2026 r. na stronie conrad.pl. 10% zniżki przy minimalnej wartości towaru 400 zł netto / 15% zniżki przy minimalnej wartości towaru 800 zł netto (wartość zatrzymanego towaru po ewentualnym zwrocie). Zniżki nie dotyczą produktów marek Apple, Samsung, BambuLab, Raspberry Pi. Nie można łączyć z innymi kodami rabatowymi. W indywidualnych przypadkach może zostać wprowadzone ograniczenie ilości sprzedaży. Promocja ważna do wyczerpania zapasów.

  • Regulamin

  • Informacje dla konsumentów

  • Polityka prywatności

  • Polityka plików cookies

Porównanie produktów
Lista obserwowanych