Link bezpośredni
  • Conrad
  • Moje konto

    Zaloguj / Rejestracja

  • Koszyk

  • Wyprzedaż - sprawdź najlepsze okazje cenowe! Wyprzedaż - sprawdź najlepsze okazje cenowe!
  • Kategorie tematyczne
    Przemysł
    Infrastruktura
    Serwisy profesjonalne
  • Oferta
    Conrad - Your Sourcing Platform
    Promocje
    Wyprzedaż
    Nowości
    Bestsellery
    Strefa Porad
  • Serwisy
    E-Procurement
    Zapytanie ofertowe
    Produkty spoza katalogu
    Przedłużona gwarancja
    Serwis kalibracji
    Role Management System
  • Nasze produkty
  • Moje konto
  • Lista obserwowanych
  • Wyloguj
Conrad
Start
Elektromechanika Przekaźniki Przekaźniki przemysłowe

Moduł przekaźnikowy Phoenix Contact PLC-RSC-230UC/21/EX 230 V/AC 6 A 1 zestyk przełączny 10 szt.

EAN:
Numer producenta
Numer produktu
Kompaktowy, szary adapter listew zaciskowych z wieloma złączami i pomarańczową dźwignią na górze, odpowiedni do elektronicznych obwodów.
Kompaktowy, szary adapter listew zaciskowych z wieloma złączami i pomarańczową dźwignią na górze, odpowiedni do elektronicznych obwodów.
Szare urządzenie elektroniczne z wieloma złączami elektrycznymi i oznaczeniami, często stosowane w instalacjach szaf sterowniczych.
Diagram przedstawia zależność U/UN względem temperatury TU. Krzywa A nieznacznie spada, krzywa B pozostaje stała. Wartości dla Un=220 V DC/230 V AC.
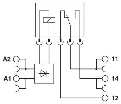
Schemat elektryczny przekaźnika sześciozaciskowego: A1, A2, 11, 12, 14; z diodą do zabezpieczenia i cewką sterującą.
Diagram przedstawia prąd przełączania [A] w odniesieniu do napięcia przełączania [V] z dwoma krzywymi: AC i DC, obciążenie ohmiczne. Prąd przełączania maleje wraz ze wzrostem napięcia.
1/5
Rodzaj produktu
Moduł przekaźnikowy
Rodzaj styku
1 zestyk przełączny
Napięcie znamionowe
230 V/AC
Maksymalne napięcie przełączania
250 V DC/AC
Maksymalne natężenie przełączania
6 A
Karta katalogowa (PDF)
European union
Phoenix Contact
 

6 Sztuki

Ilość (zestaw/y)
Oszczędzasz
Cena opakowania (Cena netto)
1
-
893,50 zł zł
3
2% = 21,81 zł
871,69 zł zł
5
3% = 30,48 zł
863,02 zł zł
10
4% = 36,28 zł
857,22 zł zł
Rabaty ilościowe różnią się w zależności od sprzedawcy
Oszczędzasz 0,00 zł

Liczba (Rozmiar opakowania 10 Sztuki)

Suma (893,50 zł / Sztuka)
zł
1099,01 zł
z VAT (klient indywidualny)
Dostępnych jest tylko 6 sztuk
Zgłoś wątpliwości prawne
  • Ponad 1 250 000 produktów

  • Konto handlowe

  • Wyceny RFQ i BOM

  • Wsparcie techniczne

  • Zlecenia terminowe

  • Centrum pomocy

  • Zamówienia

  • Dostawa

  • Zwrot  

  • Faktury

  • Gwarancja i reklamacje

  • Dyrektywa Omnibus w Conrad

  • O firmie

  • Conrad Sourcing Platform

  • Pracuj w Conrad

  • Aktualne promocje

  • Marki własne

  • Strefa porad

  • Certyfikaty

  • Informacje o dostępności cyfrowej

  • Usługi dla firm

  • e-Procurement

  • Zapytanie ofertowe

  • Zlecenia terminowe

  • Produkty spoza katalogu

  • Vulnerability Disclosure Program

  • Serwisy

  • Serwis kalibracji

  • Kategorie produktowe A-Z

  • Nasze marki A-Z

  • Centrum dokumentacji

  • Usługa cięcia kabli na metry

  • Katalogi

  • System zarządzania rolami zakupowymi

Newsletter

Proszę podać prawidłowy adres e-mail!

Metody płatności
  • PayU
  • PayPal
  • Blik
Media społecznościowe

Kontakt
12 622 98 00
Pon-Pt godz. 8:00-17:00
bok@conrad.pl
 

Wszystkie ceny bez podatku VAT i kosztów dostawy. Przekreślona cena to zawsze najniższa cena oferty z 30 dni przed obniżką.

Wszystkie ceny zawierają podatek VAT, nie obejmują kosztów dostawy. Przekreślona cena to zawsze najniższa cena oferty z 30 dni przed obniżką.

*Rabaty obowiązują wyłącznie na produkty dostępne od ręki (status dostawy zielony): 15% zniżki na wszystkie produkty oświetleniowe marki Sygonix, 10% zniżki na cały asortyment marek Paulmann i Ledlenser, a także 10% na wybrane produkty marki Philips. Oferta ważna do 10.05.2026 r. na stronie conrad.pl Nie można łączyć z innymi kodami rabatowymi. 1x na klienta biznesowego/osobę prywatną. W indywidualnych przypadkach może zostać nałożone ograniczenie ilościowe.

  • Regulamin

  • Informacje dla konsumentów

  • Polityka prywatności

  • Polityka plików cookies

Porównanie produktów
Lista obserwowanych