Link bezpośredni
  • Conrad
  • Moje konto

    Zaloguj / Rejestracja

  • Koszyk

  • Wyprzedaż - sprawdź najlepsze okazje cenowe! Wyprzedaż - sprawdź najlepsze okazje cenowe!
  • Kategorie tematyczne
    Przemysł
    Infrastruktura
    Serwisy profesjonalne
  • Oferta
    Conrad - Your Sourcing Platform
    Promocje
    Wyprzedaż
    Nowości
    Bestsellery
    Strefa Porad
  • Serwisy
    E-Procurement
    Zapytanie ofertowe
    Produkty spoza katalogu
    Przedłużona gwarancja
    Serwis kalibracji
    Role Management System
  • Nasze produkty
  • Moje konto
  • Lista obserwowanych
  • Wyloguj
Conrad
Start
Elektromechanika Przekaźniki Przekaźniki przemysłowe

Moduł przekaźnikowy Phoenix Contact PLC-RSC- 24DC/2X21/FG 24 V/DC 6 A 2 zestyki przełączne 1 szt.

EAN:
Numer producenta
Numer produktu
Elektroniczne przekaźniki z zaciskami przyłączeniowymi, obudową wykonaną z szarego tworzywa sztucznego i pomarańczową dźwignią na górze. Oznaczenia i schemat są widoczne z przodu.
Elektroniczne przekaźniki z zaciskami przyłączeniowymi, obudową wykonaną z szarego tworzywa sztucznego i pomarańczową dźwignią na górze. Oznaczenia i schemat są widoczne z przodu.
'Podstawa wtykowa z zintegrowanym modułem przekaźnikowym, oznaczona specyfikacjami technicznymi. Na górze widoczna jest pomarańczowa plastikowa dźwignia.'
Diagram przedstawia napięcie uzwojenia U/UN w zależności od temperatury otoczenia. A(DC) maleje, B(DC) wzrasta od 20°C do 60°C.
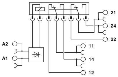
Schemat elektryczny: Przedstawienie modułu przekaźnikowego z zaciskami cewki (A1, A2) i stykami (11, 12, 14, 21, 22, 24). Punkty połączeń wyraźnie oznaczone.
1/4
Rodzaj produktu
Moduł przekaźnikowy
Rodzaj styku
2 zestyki przełączne
Napięcie znamionowe
24 V/DC
Maksymalne napięcie przełączania
250 V DC/AC
Maksymalne natężenie przełączania
6 A
Karta katalogowa (PDF)
European union
Phoenix Contact
 

5 Sztuki

Ilość (sztuka)
Oszczędzasz
Cena opakowania (Cena netto)
1
-
186,18 zł zł
3
3% = 6,05 zł
180,13 zł zł
5
5% = 8,47 zł
177,71 zł zł
10
5% = 10,07 zł
176,11 zł zł
25
6% = 11,90 zł
174,28 zł zł
Rabaty ilościowe różnią się w zależności od sprzedawcy
Oszczędzasz 0,00 zł

Liczba

Suma (186,18 zł / Sztuka)
zł
229,00 zł
z VAT (klient indywidualny)
Dostępnych jest tylko 5 sztuk
Zgłoś wątpliwości prawne
  • Ponad 1 250 000 produktów

  • Konto handlowe

  • Wyceny RFQ i BOM

  • Wsparcie techniczne

  • Zlecenia terminowe

  • Centrum pomocy

  • Zamówienia

  • Dostawa

  • Zwrot  

  • Faktury

  • Gwarancja i reklamacje

  • Dyrektywa Omnibus w Conrad

  • O firmie

  • Conrad Sourcing Platform

  • Pracuj w Conrad

  • Aktualne promocje

  • Marki własne

  • Strefa porad

  • Certyfikaty

  • Informacje o dostępności cyfrowej

  • Usługi dla firm

  • e-Procurement

  • Zapytanie ofertowe

  • Zlecenia terminowe

  • Produkty spoza katalogu

  • Vulnerability Disclosure Program

  • Serwisy

  • Serwis kalibracji

  • Kategorie produktowe A-Z

  • Nasze marki A-Z

  • Centrum dokumentacji

  • Usługa cięcia kabli na metry

  • Katalogi

  • System zarządzania rolami zakupowymi

Newsletter

Proszę podać prawidłowy adres e-mail!

Metody płatności
  • PayU
  • PayPal
  • Blik
Media społecznościowe

Kontakt
12 622 98 00
Pon-Pt godz. 8:00-17:00
bok@conrad.pl
 

Wszystkie ceny bez podatku VAT i kosztów dostawy. Przekreślona cena to zawsze najniższa cena oferty z 30 dni przed obniżką.

Wszystkie ceny zawierają podatek VAT, nie obejmują kosztów dostawy. Przekreślona cena to zawsze najniższa cena oferty z 30 dni przed obniżką.

Rabaty obowiązują wyłącznie na produkty dostępne od ręki (status dostawy zielony): 15% zniżki na wybrane produkty marki Reolink, 15% zniżki na wybrane produkty marki Sygonix oraz 10% zniżki na produkty marki Abus. Oferta ważna do 26.04.2026 r. na stronie conrad.pl Nie można łączyć z innymi kodami rabatowymi. 1x na klienta biznesowego/osobę prywatną. W indywidualnych przypadkach może zostać nałożone ograniczenie ilościowe.

  • Regulamin

  • Informacje dla konsumentów

  • Polityka prywatności

  • Polityka plików cookies

Porównanie produktów
Lista obserwowanych