Link bezpośredni
  • Conrad
  • Moje konto

    Zaloguj / Rejestracja

  • Koszyk

  • Wyprzedaż - sprawdź najlepsze okazje cenowe! Wyprzedaż - sprawdź najlepsze okazje cenowe!
  • Kategorie tematyczne
    Przemysł
    Infrastruktura
    Serwisy profesjonalne
  • Oferta
    Conrad - Your Sourcing Platform
    Promocje
    Wyprzedaż
    Nowości
    Bestsellery
    Strefa Porad
  • Serwisy
    E-Procurement
    Zapytanie ofertowe
    Produkty spoza katalogu
    Przedłużona gwarancja
    Serwis kalibracji
    Role Management System
  • Nasze produkty
  • Moje konto
  • Lista obserwowanych
  • Wyloguj
Conrad
Start
Elektromechanika Przekaźniki Przekaźniki SMT i THT

Phoenix Contact REL-IR4/LDP- 12DC/4X21AU Przekaźnik 12 V/DC 50 mA 4 zestyki przełączne 10 szt.

EAN:
Numer producenta
Numer produktu
Przezroczysty przekaźnik elektromechaniczny z nadrukowanymi parametrami elektrycznymi i oznaczeniami certyfikacyjnymi na przedniej stronie.
Przezroczysty przekaźnik elektromechaniczny z nadrukowanymi parametrami elektrycznymi i oznaczeniami certyfikacyjnymi na przedniej stronie.
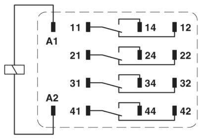
Schemat elektryczny przekaźnika z czterema stykami zwierającymi (11-14, 21-24, 31-34, 41-44) oraz dwoma zaciskami cewki (A1, A2).
Diagram przedstawia napięcie cewki w zależności od temperatury otoczenia. Dwie krzywe: 1) Cewki prądu stałego, 2) Cewki prądu przemiennego; napięcie maleje wraz ze wzrostem temperatury.
Diagram przedstawia prąd przełączania [A] w zależności od napięcia przełączania [V] dla prądu przemiennego (krzywa 1) oraz stałego, obciążenie ohmiczne (krzywa 2) w zakresie od 0 do 200 V.
Diagram przedstawia przełączanie w zależności od zdolności łączeniowej w kVA przy 250 V AC, obciążenie ohmiczne. Krzywa o malejącym trendzie od 0 do 3 kVA.
Diagram przedstawia współczynnik redukcji w zależności od COS φ. Krzywa spada z 1 przy 0 do 0,5 przy 0,2 COS φ, obrazując zależność między wydajnością a współczynnikiem mocy.
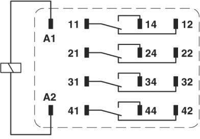
Schemat podłączenia przekaźnika czterobiegunowego z zaciskami A1 i A2. Przedstawiono cztery przełączniki, każdy z wejściami 11-41 i wyjściami 12-42.
1/7
Zdjęcie poglądowe
Rodzaj produktu
Przekaźnik
Napięcie znamionowe cewki
12 V/DC
Rodzaj styku
4 zestyki przełączne
Maksymalne napięcie przełączania
30 V/AC
Maksymalne natężenie przełączania
50 mA
Karta katalogowa (PDF)
European union
Phoenix Contact
 

15 Sztuki

Ilość (zestaw/y)
Oszczędzasz
Cena opakowania (Cena netto)
1
-
405,69 zł zł
3
3% = 11,23 zł
394,46 zł zł
5
4% = 15,74 zł
389,95 zł zł
10
5% = 18,74 zł
386,95 zł zł
25
5% = 22,11 zł
383,58 zł zł
Rabaty ilościowe różnią się w zależności od sprzedawcy
Oszczędzasz 0,00 zł

Liczba (Rozmiar opakowania 10 Sztuki)

Suma (405,69 zł / Sztuka)
430,08 zł
-6 %
zł
499,00 zł
z VAT (klient indywidualny)
Zgłoś wątpliwości prawne
  • Ponad 1 250 000 produktów

  • Konto handlowe

  • Wyceny RFQ i BOM

  • Wsparcie techniczne

  • Zlecenia terminowe

  • Centrum pomocy

  • Zamówienia

  • Dostawa

  • Zwrot  

  • Faktury

  • Gwarancja i reklamacje

  • Dyrektywa Omnibus w Conrad

  • O firmie

  • Conrad Sourcing Platform

  • Pracuj w Conrad

  • Aktualne promocje

  • Marki własne

  • Strefa porad

  • Certyfikaty

  • Informacje o dostępności cyfrowej

  • Usługi dla firm

  • e-Procurement

  • Zapytanie ofertowe

  • Zlecenia terminowe

  • Produkty spoza katalogu

  • Vulnerability Disclosure Program

  • Serwisy

  • Serwis kalibracji

  • Kategorie produktowe A-Z

  • Nasze marki A-Z

  • Centrum dokumentacji

  • Usługa cięcia kabli na metry

  • Katalogi

  • System zarządzania rolami zakupowymi

Newsletter

Proszę podać prawidłowy adres e-mail!

Metody płatności
  • PayU
  • PayPal
  • Blik
Media społecznościowe

Kontakt
12 622 98 00
Pon-Pt godz. 8:00-17:00
bok@conrad.pl
 

Wszystkie ceny bez podatku VAT i kosztów dostawy. Przekreślona cena to zawsze najniższa cena oferty z 30 dni przed obniżką.

Wszystkie ceny zawierają podatek VAT, nie obejmują kosztów dostawy. Przekreślona cena to zawsze najniższa cena oferty z 30 dni przed obniżką.

Rabaty obowiązują wyłącznie na produkty dostępne od ręki (status dostawy zielony): 15% zniżki na wybrane produkty marki Reolink, 15% zniżki na wybrane produkty marki Sygonix oraz 10% zniżki na produkty marki Abus. Oferta ważna do 26.04.2026 r. na stronie conrad.pl Nie można łączyć z innymi kodami rabatowymi. 1x na klienta biznesowego/osobę prywatną. W indywidualnych przypadkach może zostać nałożone ograniczenie ilościowe.

  • Regulamin

  • Informacje dla konsumentów

  • Polityka prywatności

  • Polityka plików cookies

Porównanie produktów
Lista obserwowanych