Link bezpośredni
  • Conrad
  • Moje konto

    Zaloguj / Rejestracja

  • Koszyk

  • Wyprzedaż - sprawdź najlepsze okazje cenowe! Wyprzedaż - sprawdź najlepsze okazje cenowe!
  • Kategorie tematyczne
    Przemysł
    Infrastruktura
    Serwisy profesjonalne
  • Oferta
    Conrad - Your Sourcing Platform
    Promocje
    Wyprzedaż
    Nowości
    Bestsellery
    Strefa Porad
  • Serwisy
    E-Procurement
    Zapytanie ofertowe
    Produkty spoza katalogu
    Przedłużona gwarancja
    Serwis kalibracji
    Role Management System
  • Nasze produkty
  • Moje konto
  • Lista obserwowanych
  • Wyloguj
Conrad
Start
Elektromechanika Przekaźniki Przekaźniki SMT i THT

Phoenix Contact REL-PR3-230AC/3X1 Przekaźnik 230 V/AC 16 A 3 NO 1 szt.

EAN:
Numer producenta
Numer produktu
Przekaźnik w obudowie z tworzywa sztucznego, nadruk wskazuje specyfikacje techniczne: 10A, 250V AC. Odpowiedni do zastosowań przemysłowych.
Przekaźnik w obudowie z tworzywa sztucznego, nadruk wskazuje specyfikacje techniczne: 10A, 250V AC. Odpowiedni do zastosowań przemysłowych.
Przekaźnik z przezroczystą obudową, ukazujący elementy elektryczne i złącza. Obudowa oznaczona znakiem CE.
Diagram przedstawiający charakterystykę wyłączania przełączników: oś x 'Napięcie przełączania [V]', oś y 'Prąd przełączania [A]'. Trzy krzywe dla różnych rodzajów obciążeń.
Diagram przedstawia zależność między zdolnością łączeniową (kVA) a liczbą cykli łączeniowych. Przy 1 kVA wynosi ona około 10^5 cykli łączeniowych.
Diagram przedstawia zależność między napięciem cewki (U/UN) a temperaturą otoczenia (°C) dla cewek prądu stałego (1) i prądu przemiennego (2).
Diagram przedstawia malejący wykres; oś X: 'COS φ' (wartości od 0 do 0,2), oś Y: 'Współczynnik redukcji' (wartości od 0,3 do 1).
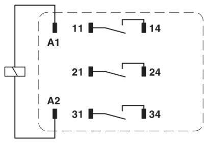
'Schemat styku elektromagnetycznego z trzema stykami zwierającymi: 11-14, 21-24, 31-34. Połączenia są przedstawione przez ciągłe linie.'
1/7
Rodzaj produktu
Przekaźnik
Napięcie znamionowe cewki
230 V/AC
Rodzaj styku
3 NO
Maksymalne napięcie przełączania
440 V/AC
Maksymalne natężenie przełączania
16 A
Karta katalogowa (PDF)
European union
Phoenix Contact
 

124 Sztuki

Ilość (sztuka)
Oszczędzasz
Cena opakowania (Cena netto)
1
-
77,23 zł zł
3
5% = 3,83 zł
73,40 zł zł
5
7% = 5,36 zł
71,87 zł zł
10
9% = 6,76 zł
70,47 zł zł
25
10% = 7,53 zł
69,70 zł zł
50
11% = 8,82 zł
68,41 zł zł
Rabaty ilościowe różnią się w zależności od sprzedawcy
Oszczędzasz 0,00 zł

Liczba

Suma (77,23 zł / Sztuka)
zł
94,99 zł
z VAT (klient indywidualny)
Zgłoś wątpliwości prawne
  • Ponad 1 250 000 produktów

  • Konto handlowe

  • Wyceny RFQ i BOM

  • Wsparcie techniczne

  • Zlecenia terminowe

  • Centrum pomocy

  • Zamówienia

  • Dostawa

  • Zwrot  

  • Faktury

  • Gwarancja i reklamacje

  • Dyrektywa Omnibus w Conrad

  • O firmie

  • Conrad Sourcing Platform

  • Pracuj w Conrad

  • Aktualne promocje

  • Marki własne

  • Strefa porad

  • Certyfikaty

  • Informacje o dostępności cyfrowej

  • Usługi dla firm

  • e-Procurement

  • Zapytanie ofertowe

  • Zlecenia terminowe

  • Produkty spoza katalogu

  • Vulnerability Disclosure Program

  • Serwisy

  • Serwis kalibracji

  • Kategorie produktowe A-Z

  • Nasze marki A-Z

  • Centrum dokumentacji

  • Usługa cięcia kabli na metry

  • Katalogi

  • System zarządzania rolami zakupowymi

Newsletter

Proszę podać prawidłowy adres e-mail!

Metody płatności
  • PayU
  • PayPal
  • Blik
Media społecznościowe

Kontakt
12 622 98 00
Pon-Pt godz. 8:00-17:00
bok@conrad.pl
 

Wszystkie ceny bez podatku VAT i kosztów dostawy. Przekreślona cena to zawsze najniższa cena oferty z 30 dni przed obniżką.

Wszystkie ceny zawierają podatek VAT, nie obejmują kosztów dostawy. Przekreślona cena to zawsze najniższa cena oferty z 30 dni przed obniżką.

Rabaty obowiązują wyłącznie na produkty dostępne od ręki (status dostawy zielony): 15% zniżki na wybrane produkty marki Reolink, 15% zniżki na wybrane produkty marki Sygonix oraz 10% zniżki na produkty marki Abus. Oferta ważna do 26.04.2026 r. na stronie conrad.pl Nie można łączyć z innymi kodami rabatowymi. 1x na klienta biznesowego/osobę prywatną. W indywidualnych przypadkach może zostać nałożone ograniczenie ilościowe.

  • Regulamin

  • Informacje dla konsumentów

  • Polityka prywatności

  • Polityka plików cookies

Porównanie produktów
Lista obserwowanych