Link bezpośredni
  • Conrad
  • Moje konto

    Zaloguj / Rejestracja

  • Koszyk

  • Wyprzedaż - sprawdź najlepsze okazje cenowe! Wyprzedaż - sprawdź najlepsze okazje cenowe!
  • Kategorie tematyczne
    Przemysł
    Infrastruktura
    Serwisy profesjonalne
  • Oferta
    Conrad - Your Sourcing Platform
    Promocje
    Wyprzedaż
    Nowości
    Bestsellery
    Strefa Porad
  • Serwisy
    E-Procurement
    Zapytanie ofertowe
    Produkty spoza katalogu
    Przedłużona gwarancja
    Serwis kalibracji
    Role Management System
  • Nasze produkty
  • Moje konto
  • Lista obserwowanych
  • Wyloguj
Conrad
Start
Elektromechanika Przekaźniki Przekaźniki SMT i THT

Przekaźnik SMT Omron G6B-1114P-US 5 VDC 5 V/DC

EAN:
Numer producenta
Numer produktu
Czarne, prostokątne przekaźniki z czterema stykami, z widocznym oznaczeniem 'G6B-1114P', prawdopodobnie przeznaczone do użytku przemysłowego lub elektronicznego.
Czarne, prostokątne przekaźniki z czterema stykami, z widocznym oznaczeniem 'G6B-1114P', prawdopodobnie przeznaczone do użytku przemysłowego lub elektronicznego.
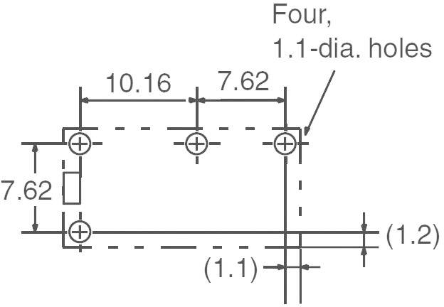
Rysunek techniczny z czterema otworami o średnicy 1,1. Wymiary: 10,16 cm i 7,62 cm. Linie oznaczają pozycję i rozstaw otworów.
Rysunek elementu elektronicznego z dwoma widokami. Wymiary: długość 20 mm, szerokość 10 mm, wysokość 10 mm; złącza pinowe przedstawione szczegółowo.
Schematyczny schemat elektryczny przekaźnika z punktami przyłączeniowymi 1, 3, 4 i 6.
1/4
Zdjęcie poglądowe
Rodzaj produktu
Przekaźnik SMT
Napięcie znamionowe cewki
5 V/DC
Typ sterowania
monostabilny, 1 cewka
Rodzaj styku
1 NO
Maksymalne napięcie przełączania
125 V/DC
380 V/AC
Karta katalogowa (PDF)
English
Omron
 

248 Sztuki

Ilość (sztuka)
Oszczędzasz
Cena opakowania (Cena netto)
1
-
14,46 zł zł
10
7% = 1,08 zł
13,38 zł zł
25
10% = 1,51 zł
12,95 zł zł
50
12% = 1,80 zł
12,66 zł zł
100
15% = 2,13 zł
12,33 zł zł
250
17% = 2,48 zł
11,98 zł zł
500
20% = 2,96 zł
11,50 zł zł
Rabaty ilościowe różnią się w zależności od sprzedawcy
Oszczędzasz 0,00 zł

Liczba

Suma (14,46 zł / Sztuka)
zł
17,79 zł
z VAT (klient indywidualny)
Zgłoś wątpliwości prawne
  • Ponad 1 250 000 produktów

  • Konto handlowe

  • Wyceny RFQ i BOM

  • Wsparcie techniczne

  • Zlecenia terminowe

  • Centrum pomocy

  • Zamówienia

  • Dostawa

  • Zwrot  

  • Faktury

  • Gwarancja i reklamacje

  • Dyrektywa Omnibus w Conrad

  • O firmie

  • Conrad Sourcing Platform

  • Pracuj w Conrad

  • Aktualne promocje

  • Marki własne

  • Strefa porad

  • Certyfikaty

  • Informacje o dostępności cyfrowej

  • Usługi dla firm

  • e-Procurement

  • Zapytanie ofertowe

  • Zlecenia terminowe

  • Produkty spoza katalogu

  • Vulnerability Disclosure Program

  • Serwisy

  • Serwis kalibracji

  • Kategorie produktowe A-Z

  • Nasze marki A-Z

  • Centrum dokumentacji

  • Usługa cięcia kabli na metry

  • Katalogi

  • System zarządzania rolami zakupowymi

Newsletter

Proszę podać prawidłowy adres e-mail!

Metody płatności
  • PayU
  • PayPal
  • Blik
Media społecznościowe

Kontakt
12 622 98 00
Pon-Pt godz. 8:00-17:00
bok@conrad.pl
 

Wszystkie ceny bez podatku VAT i kosztów dostawy. Przekreślona cena to zawsze najniższa cena oferty z 30 dni przed obniżką.

Wszystkie ceny zawierają podatek VAT, nie obejmują kosztów dostawy. Przekreślona cena to zawsze najniższa cena oferty z 30 dni przed obniżką.

*Rabaty obowiązują wyłącznie na produkty dostępne od ręki (status dostawy zielony): 15% zniżki na wszystkie produkty oświetleniowe marki Sygonix, 10% zniżki na cały asortyment marek Paulmann i Ledlenser, a także 10% na wybrane produkty marki Philips. Oferta ważna do 10.05.2026 r. na stronie conrad.pl Nie można łączyć z innymi kodami rabatowymi. 1x na klienta biznesowego/osobę prywatną. W indywidualnych przypadkach może zostać nałożone ograniczenie ilościowe.

  • Regulamin

  • Informacje dla konsumentów

  • Polityka prywatności

  • Polityka plików cookies

Porównanie produktów
Lista obserwowanych