Link bezpośredni
  • Conrad
  • Moje konto

    Zaloguj / Rejestracja

  • Koszyk

  • Wyprzedaż - sprawdź najlepsze okazje cenowe! Wyprzedaż - sprawdź najlepsze okazje cenowe!
  • Kategorie tematyczne
    Przemysł
    Infrastruktura
    Serwisy profesjonalne
  • Oferta
    Conrad - Your Sourcing Platform
    Promocje
    Wyprzedaż
    Nowości
    Bestsellery
    Strefa Porad
  • Serwisy
    E-Procurement
    Zapytanie ofertowe
    Produkty spoza katalogu
    Przedłużona gwarancja
    Serwis kalibracji
    Role Management System
  • Nasze produkty
  • Moje konto
  • Lista obserwowanych
  • Wyloguj
Conrad
  1. Strefa porad
  2. Automatyka i pneumatyka
  3. Regulator prędkości obrotowej silnika DC

Regulator prędkości obrotowej silnika DC

Zadanie regulowania prędkości obrotowej silnika zawsze skłania nas do zastanowienia się nad tym, czy skorzystać z gotowego rozwiązania, czy budować własne urządzenie. Naprzeciw potrzebom tych, którzy chcieliby skorzystać z „gotowca” i zająć się rozwiązywaniem naprawdę istotnych problemów w aplikacji, wychodzi znany dostawca – firma Conrad.

Opisywany moduł sterownika silnika jest członkiem większej rodziny produktów oferowanych przez Conrada. Regulatory wykonane w postaci modułów w obudowie lub bez niej, mogą mieć różne zastosowania i różnią się parametrami technicznymi. Pokazany na fotografii tytułowej moduł OEM jest przeznaczony do wbudowania we własne urządzenie i służy do regulowania prędkości obrotowej komutatorowego silnika elektrycznego prądu stałego o napięciu znamionowym do 36 V DC i prądzie obciążenia do 6 A. Moduł typu GS 24/06-360 to tranzystorowy regulator prędkości obrotowej silników DC wykonany w postaci płytki o wymiarach 72 mm×100 mm, z zamontowanym radiatorem dla tranzystora/tranzystorów wykonawczych i uniwersalnych złączem wejścia/wyjścia.

Regulator

Fot. 1. Regulator prędkości obrotowej DC EPH Elektronik GS24S/06/M

W urządzeniu docelowym płytka jest mocowana za pomocą czterech otworów pod śrubę M3. Zakres napięcia wejściowego rozciąga się od 20 do 36 V, co umożliwia zasilanie płytki z baterii akumulatorów lub typowego zasilacza przemysłowego. Prędkość obrotowa silnika jest regulowana za pomocą napięcia zewnętrznego (0…10 V) lub wbudowanego potencjometru oznaczonego literą „N”. Tryb regulacji wybiera się, zmieniając położenie zworki. Moduł jest wyposażony w jeszcze jeden potencjometr oznaczony literą „I”, którym można regulować ograniczenie prądowe.

Prędkość obrotową silnika zmienia się w sposób analogowy, a więc charakterystyka jej zmiany jest liniowa. Silnik jest zasilany przebiegiem PWM o częstotliwości ponad 18 kHz, co gwarantuje jego cichą pracę oraz łagodną zmianę prędkości. Współczynnik kształtu przebiegu wyjściowego jest lepszy niż 1,07, co ogranicza grzanie się silnika. Moduł nie umożliwia zmiany kierunku obrotów i jeśli taka jest konieczna, to należy doposażyć go w opcjonalną płytkę przełącznika EPH 393. Jest ona sterowana za pomocą „przemysłowego” sygnału stałoprądowego o napięciu 12…48 V DC.

Regulator 2

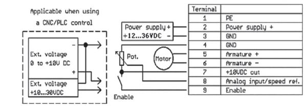
Rysunek 1. Sposób dołączenia modułu GS 24/06 do sterownika PLC z interfejsem napięciowym

Na rysunku 1 zaczerpniętym z dokumentacji sterownika pokazano sposób dołączenia modułu regulatora do systemu wyposażonego w sterownik PLC. Jak doskonale wiedzą wszystkie osoby zajmujące się automatyką, napięcie regulacyjne z zakresu 0…10 V jest standardem i może być generowane przez wiele sterowników lub sensorów. Dzięki uniwersalnemu, śrubowemu złączu wejścia/wyjścia moduł może współpracować z dowolnym systemem i na przykład regulować prędkość pracy silnika sterującego wentylatorem lub podajnikiem. Współpracę z takim systemem ułatwia wejście Enable, które może służyć do awaryjnego wyłączenia napędu. Kontrolowany silnik jest chroniony przez ogranicznik prądowy, który nie dopuszcza do przeciążenia w wypadku zablokowania się mechanizmu.

Podstawowe parametry

  • Zastosowanie: regulowanie prędkości obrotowej komutatorowego silnika DC.
  • Napięcie wejściowe: 20…36 V DC.
  • Prąd obciążenia: do 6 A. Wbudowane ograniczenie prądowe o progu ustawianym za pomocą potencjometru.
  • Metoda regulacji: analogowy generator przebiegu PWM o częstotliwości ok. 18 kHz.
  • Współczynnik kształtu przebiegu wyjściowego: lepszy niż 1,07.
  • Zmiana kierunku obrotów: za pomocą opcjonalnego modułu EPH 393. Prędkość obrotowa ustawiana za pomocą wbudowanego potencjometru lub zewnętrznego napięcia referencyjnego (wybór trybu pracy zworką). Moduł OEM z radiatorem dla stopnia mocy i złączami śrubowymi.
  • Mocowanie: za pomocą 4 wkrętów M3.
  • Dostępne warianty wykonania: w obudowie z zamontowanymi potencjometrami, do montażu na szynie TH35 lub płycie montażowej.

Zgodnie z informacją zawartą w instrukcji obsługi, opisywany moduł nie może być używany samodzielnie, ponieważ nie ma obudowy zabezpieczającej przed dotknięciem przez użytkownika komponentów i ścieżek przewodzących prąd. Jest to moduł OEM, przeznaczony do wykorzystania w budowanym urządzeniu oraz służący do regulowania prędkości obrotowej silnika DC o napięciu znamionowym do 36 V i prądzie obciążenia do 6 A. Jeśli przewidujemy inne zastosowanie, to należy odpowiednio zabudować (odizolować) moduł lub wybrać inny produkt, ponieważ może na nim występować napięcie niebezpieczne dla życia. W ofercie firmy Conrad są dostępne również inne produkty firmy EPH Elektronik, zgodne z dyrektywą dla urządzeń zasilanych niskim napięciem Low Voltage Directive 73/23 EWG, wyposażone w obudowy przeznaczone do zamontowania na szynie TH35 lub we własnym urządzeniu, gwarantujące bezpieczeństwo użytkownika oraz stopień ochrony co najmniej IP20. Można również wybierać spośród produktów o innej obciążalności prądowej, w różnych wariantach wykonania.

Jacek Bogusz, Elektronika Praktyczna, 11/2015

Powiązane kategorie:

  • Regulatory prędkości obrotowej DC
  • Silniki DC
  • Przemienniki częstotliwości
  • Technika napędowa

Polecane produkty:

  • Regulator prędkości obrotowej H-Tronic HB 645 12/24V 5A  
  • Regulator prędkości obrotowej H-Tronic HB 646 12/24V 10A
  • Regulator prędkości obrotowej DC EPH Elektronik GS24S/06/P

Polecane akcesoria:

  • Złącze DOGA DO10050081700/4139
  • Motoreduktor DC DOGA DO11190393B00/3019
  • Motoreduktor DC Drive-System Europe DSMP420-24-024-BFEC

Jeśli uważasz, że możemy poprawić ten artykuł dzięki Tobie, prosimy o kontakt pod adresem: conrad@conrad.pl. Dziękujemy - Zespół Conrad.

  • Ponad 1 250 000 produktów

  • Konto handlowe

  • Wyceny RFQ i BOM

  • Wsparcie techniczne

  • Zlecenia terminowe

  • Centrum pomocy

  • Zamówienia

  • Dostawa

  • Zwrot  

  • Faktury

  • Gwarancja i reklamacje

  • Dyrektywa Omnibus w Conrad

  • O firmie

  • Conrad Sourcing Platform

  • Pracuj w Conrad

  • Aktualne promocje

  • Marki własne

  • Strefa porad

  • Certyfikaty

  • Informacje o dostępności cyfrowej

  • Usługi dla firm

  • e-Procurement

  • Zapytanie ofertowe

  • Zlecenia terminowe

  • Produkty spoza katalogu

  • Vulnerability Disclosure Program

  • Serwisy

  • Serwis kalibracji

  • Kategorie produktowe A-Z

  • Nasze marki A-Z

  • Centrum dokumentacji

  • Usługa cięcia kabli na metry

  • Katalogi

  • System zarządzania rolami zakupowymi

Newsletter

Proszę podać prawidłowy adres e-mail!

Metody płatności
  • PayU
  • PayPal
  • Blik
Media społecznościowe

Kontakt
12 622 98 00
Pon-Pt godz. 8:00-17:00
bok@conrad.pl
 

Wszystkie ceny bez podatku VAT i kosztów dostawy. Przekreślona cena to zawsze najniższa cena oferty z 30 dni przed obniżką.

Wszystkie ceny zawierają podatek VAT, nie obejmują kosztów dostawy. Przekreślona cena to zawsze najniższa cena oferty z 30 dni przed obniżką.

Tydzień oświetlenia
*Rabaty obowiązują wyłącznie na produkty dostępne od ręki (status dostawy zielony): 15% zniżki na wszystkie produkty oświetleniowe marki Sygonix, 10% zniżki na cały asortyment marek Paulmann i Ledlenser, a także 10% na wybrane produkty marki Philips. Oferta ważna do 10.05.2026 r. na stronie conrad.pl Nie można łączyć z innymi kodami rabatowymi. 1x na klienta biznesowego/osobę prywatną. W indywidualnych przypadkach może zostać nałożone ograniczenie ilościowe.

Wera
*Zniżka dotyczy wyłącznie produktów marki Wera dostępnych od ręki (status dostawy zielony). Oferta ważna do 17.05.2026 r. na stronie conrad.pl Nie można łączyć z innymi kodami rabatowymi. Oferta ograniczona do jednego zamówienia na klienta biznesowego/osobę prywatną. W indywidualnych przypadkach może obowiązywać ograniczenie ilościowe.

  • Regulamin

  • Informacje dla konsumentów

  • Polityka prywatności

  • Polityka plików cookies

Porównanie produktów
Lista obserwowanych